FREE REPAIR MANUALS & LABOR GUIDES 1982-2013 Vehicles
Courtesy of Operation CHARM: Car repair manuals for everyone.

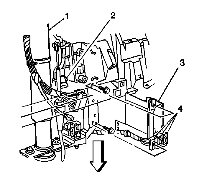
Junction Block Replacement - Accessory Wiring

JUNCTION BLOCK REPLACEMENT - ACCESSORY WIRING

REMOVAL PROCEDURE
1. Disconnect the negative battery cable.
2. Remove the left instrument panel (I/P) insulator.




3. Remove the screws from the accessory wiring junction block.
4. Adjust the junction block for access.
5. Remove the circuit breakers (4) and the relays from the junction block as required.
6. If necessary remove the junction block from the bracket assembly.

INSTALLATION PROCEDURE




1. If necessary install the junction block to the bracket assembly.
2. Install the circuit breakers (4) and the relays to the junction block as required.
3. Position the junction block to the I/P carrier.

NOTE: Refer to Fastener Notice in Service Precautions.

4. Install the junction block screws.

Tighten
Tighten the screws to 10 N.m (89 lb in).

5. Install the left I/P insulator.
6. Connect the negative battery cable.