FREE REPAIR MANUALS & LABOR GUIDES 1982-2013 Vehicles
Courtesy of Operation CHARM: Car repair manuals for everyone.

Starter Motor: Service and Repair

REMOVAL PROCEDURE
1. Disconnect the negative battery cable.

IMPORTANT: The starter motor on this vehicle is NOT serviceable and must be replaced as a complete unit.

2. Raise and support the vehicle. Refer to vehicle lifting.
3. Remove the lower air deflector.
4. Remove the torque converter covers.




5. Remove the starter solenoid BAT terminal nut (8) and the positive battery cable (9) from the starter motor.
6. Remove the starter solenoid S terminal nut (7) and the starter solenoid wire (6) from the starter motor.




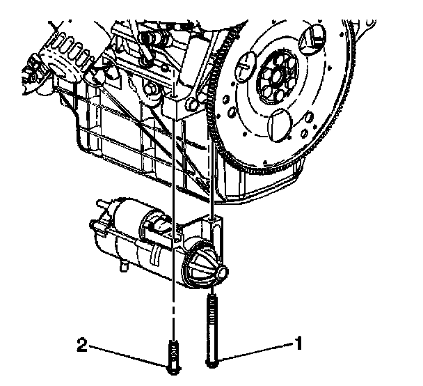
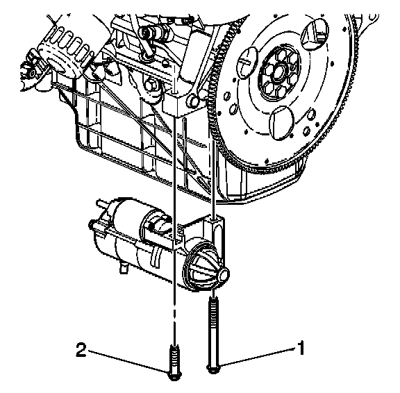
7. Remove the starter bolts (1,2) and the starter motor.

INSTALLATION PROCEDURE




1. Align the starter motor to the engine.
2. Install the starter motor bolts (1,2) finger tight until seated.

NOTE: Refer to Fastener Notice in Service Precautions.

Tighten
Tighten the bolts to 43 N.m (32 lb ft).




3. Install the positive battery cable (9) and the solenoid BAT terminal nut (8) finger tight to the starter motor.
Install the starter solenoid wire (6) and the starter solenoid S terminal nut (7) finger tight to the starter motor.

Tighten
- Tighten the solenoid BAT terminal nut (8) to 10 N.m (89 lb in).
- Tighten the starter solenoid S terminal nut (7) to 2.3 N.m (20.5 lb in).

1. Install the torque converter covers.
2. Install the lower air deflector.
3. Lower the vehicle.
4. Connect the negative battery cable.