FREE REPAIR MANUALS & LABOR GUIDES 1982-2013 Vehicles
Courtesy of Operation CHARM: Car repair manuals for everyone.

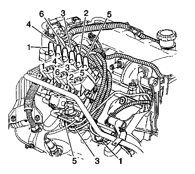
Ignition Cable: Service and Repair

SPARK PLUG WIRE REPLACEMENt

REMOVAL PROCEDURE

NOTE: Twist the spark plug boot one-half turn in order to release the boot. Pull on the spark plug boot only. Do not pull on the spark plug wire or the wire could be damaged.




1. Remove the spark plug wires 2, 4, and 6 from the engine left side spark plugs.
2. Remove the spark plug wires from the retaining clips.




3. Remove the spark plug wires 1, 3, and 5 from the engine right side spark plugs.
4. Remove the spark plug wires from the retaining clip.




5. Remove the spark plug wires from the ignition coils.
6. Remove the spark plug wires from the engine.
7. If you are replacing the spark plug wires, transfer any of the following components:
- Spark plug wire conduit
- Spark plug wire retaining clips

INSTALLATION PROCEDURE




1. Install the spark plug wires to the engine.
2. Install the spark plug wires to the ignition coils.




3. Install the spark plug wires 1, 3, and 5 to the engine right side spark plugs.
4. Install the spark plug wires to the retaining clip.




5. Install the spark plug wires 2, 4, and 6 to the engine left side spark plugs.
6. Install the spark plug wires to the retaining clips.