FREE REPAIR MANUALS & LABOR GUIDES 1982-2013 Vehicles
Courtesy of Operation CHARM: Car repair manuals for everyone.

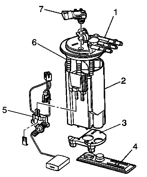
Fuel Tank Pressure Sensor: Service and Repair

FUEL TANK PRESSURE SENSOR REPLACEMENT

REMOVAL PROCEDURE




1. Remove the fuel sender assembly.
2. Remove the fuel tank pressure sensor (7) from the fuel sender assembly.

INSTALLATION PROCEDURE




1. Install a new seal to the fuel tank pressure sensor.
2. Install the fuel tank pressure sensor (7) to the fuel sender assembly.
3. Install the fuel sender assembly.