FREE REPAIR MANUALS & LABOR GUIDES 1982-2013 Vehicles
Courtesy of Operation CHARM
:
Car repair manuals for everyone.
Home
>>
Chevrolet
>>
2004
>>
Corvette V8-5.7L VIN S
>>
Repair and Diagnosis
>>
Diagrams
>>
Exploded Views
>>
Manual Transmission/Transaxle
>>
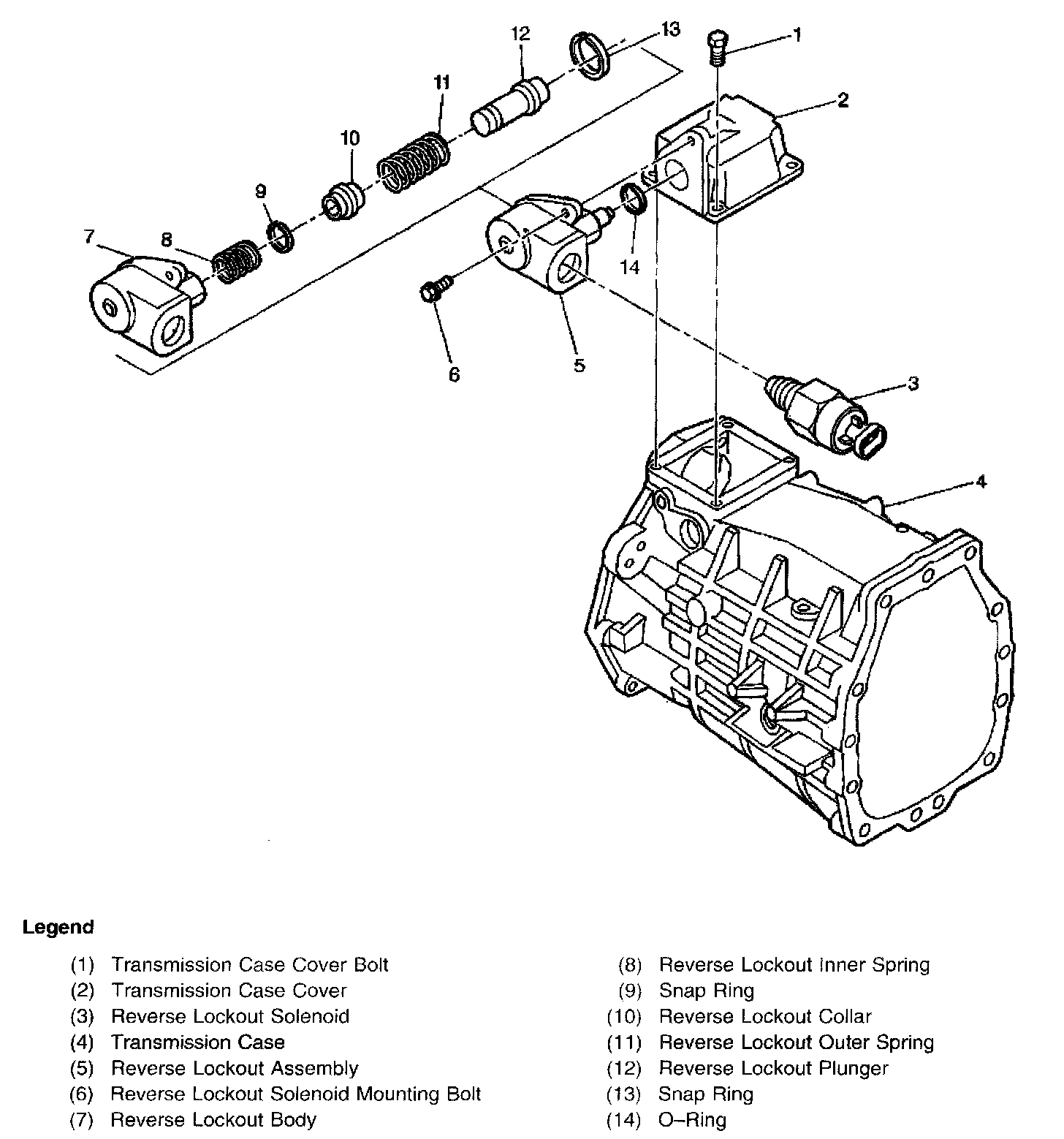
Component Locator
Component Locator
Component Locator
Adapter Plate and Gears
Extension Housing
Reverse Lockout
Shift Shafts