FREE REPAIR MANUALS & LABOR GUIDES 1982-2013 Vehicles
Courtesy of Operation CHARM: Car repair manuals for everyone.

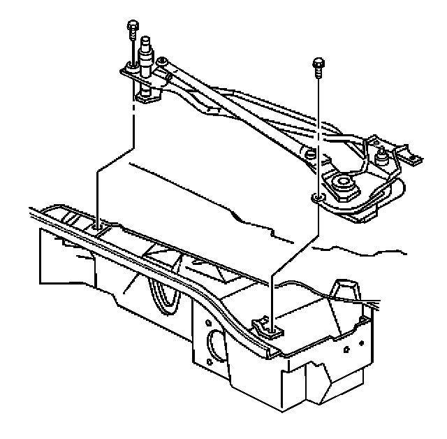
Wiper Drive System Module Replacement

WIPER DRIVE SYSTEM MODULE REPLACEMENT

- J 39232 Wiper Linkage Separator
- J 39529 Wiper Linkage Installer

REMOVAL PROCEDURE
1. Remove the air inlet grille panel.




2. Using the J 39232, disconnect the wiper transmission from the wiper motor crank arm to aid in the removal of the wiper drive system module.




3. Remove the wiper drive system module screws.
4. Remove the wiper drive system module from the cowl area to gain access to the wiper motor electrical connector.
5. Disconnect the wiper motor electrical connector.
6. Remove the wiper drive system module from the vehicle.

INSTALLATION PROCEDURE




1. Position the wiper drive system module to the vehicle.
2. Connect the wiper motor electrical connector.
3. Install the wiper drive system module into the cowl area.
4. Install the wiper drive system module screws.

NOTE: Refer to Fastener Notice in Service Precautions.

Tighten
Tighten the screws to 10 N.m (89 lb in).




5. Using the J 39529, connect the wiper transmission to the wiper motor crank arm.
6. Install the air inlet grille panel.
7. Inspect the wipers for proper operation.