FREE REPAIR MANUALS & LABOR GUIDES 1982-2013 Vehicles
Courtesy of Operation CHARM: Car repair manuals for everyone.

Manifold Pressure/Vacuum Sensor: Service and Repair

MANIFOLD ABSOLUTE PRESSURE (MAP) SENSOR REPLACEMENT

REMOVAL PROCEDURE




1. Remove the engine sight shields.
2. Remove the fuel rail assembly.

IMPORTANT: Access to the MAP sensor is limited, but does not require the removal of the intake manifold.




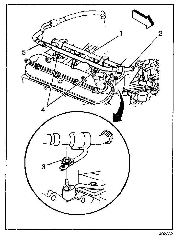
3. Remove the PCV heat exchange cable fastener (3).
4. Remove the PCV hose (2) from the throttle body.
5. Remove the PCV hose (5) from the right bank port.
6. Release the PCV hose assembly from the mounting brackets (4).
7. Move the PCV hose assembly (1) aside.




8. Disconnect the MAP sensor harness connector.




9. Pull the MAP sensor forward in order to release the sensor from the retainer.
10. Lift the MAP sensor upward.

INSTALLATION PROCEDURE

IMPORTANT:
- Inspect the MAP sensor seal for damage. Replace the seal if necessary.
- Lightly coat the MAP sensor seal with clean engine oil before installing the sensor.




1. Install the MAP sensor. Push down the sensor in order to engage the sensor into the retainer.




2. Connect the MAP sensor harness connector.




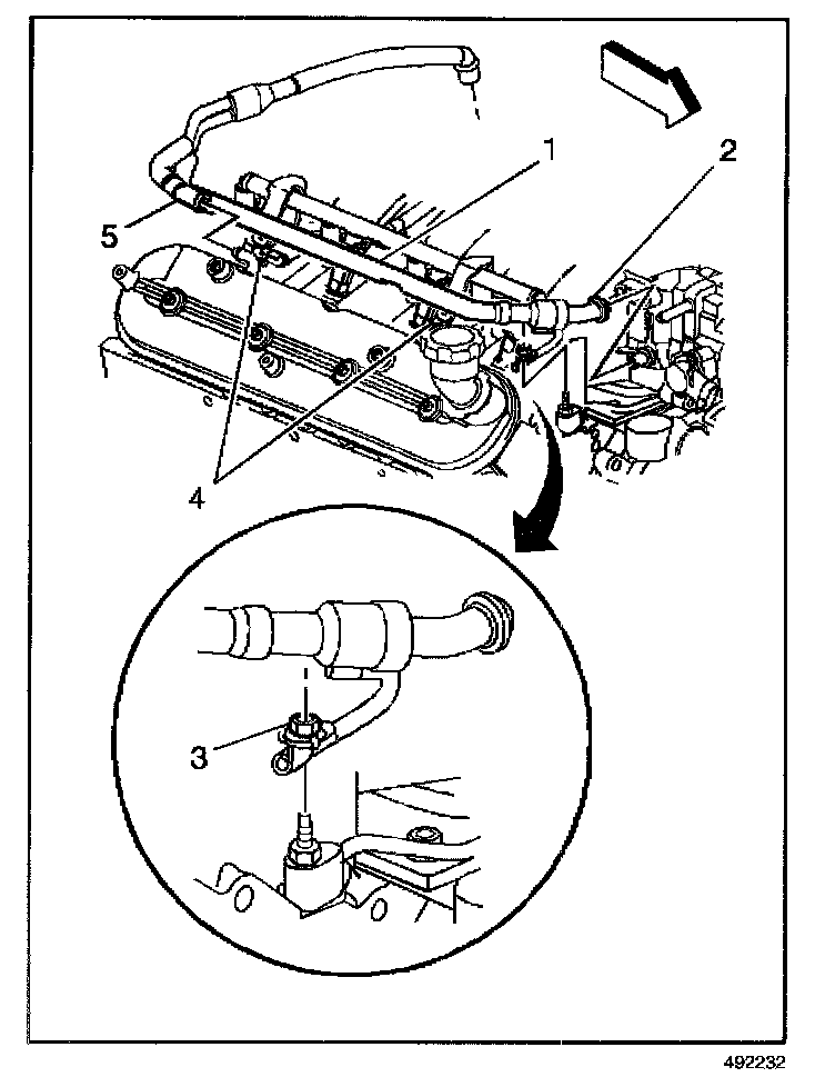
3. Position the PCV hose assembly (1) for reassembly.
4. Insert the PCV hose assembly to the mounting brackets (4).
5. Install the PCV hose (5) to the right bank port.
6. Install the PCV hose (2) to the throttle body.

NOTE: Refer to Fastener Notice in Service Precautions.

7. Install the PCV heat exchange cable fastener (3).

Tighten
Tighten the PCV heat exchange cable fastener to 12 N.m (106 lb in).




8. Install the fuel rail.
9. Install the engine sight shields.