FREE REPAIR MANUALS & LABOR GUIDES 1982-2013 Vehicles
Courtesy of Operation CHARM
:
Car repair manuals for everyone.
Home
>>
Chevrolet
>>
2004
>>
Corvette V8-5.7L VIN G
>>
Repair and Diagnosis
>>
Diagrams
>>
Exploded Views
>>
Drive/Propeller Shaft
Drive/Propeller Shaft
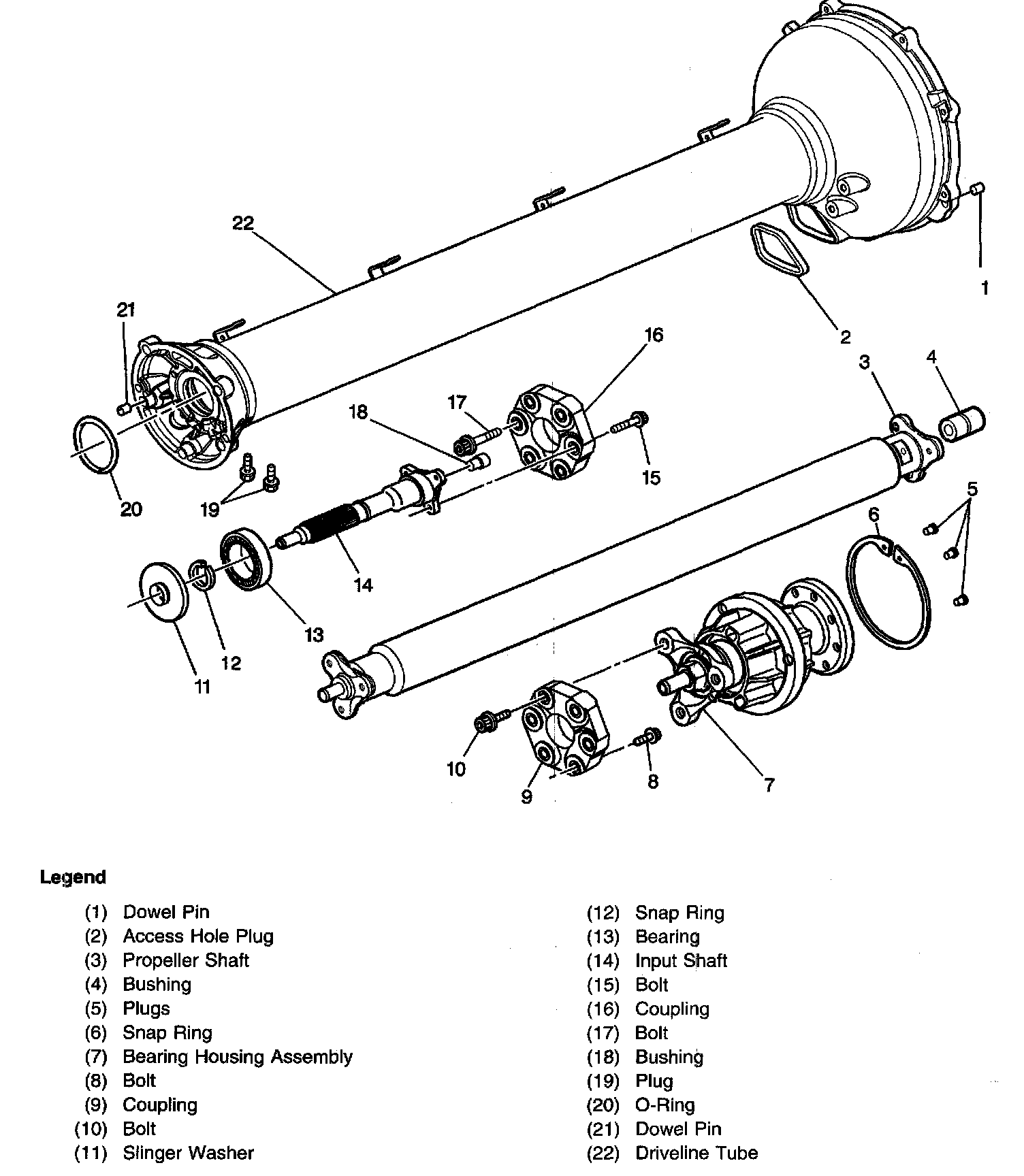
Driveline Disassembled Views
Driveline Assembly (Manual Transmission)
Driveline Assembly (Automatic Transmission)
Rear Bearing Housing Assembly (Manual Transmission)
Rear Bearing Housing Assembly (Automatic Transmission)