FREE REPAIR MANUALS & LABOR GUIDES 1982-2013 Vehicles
Courtesy of Operation CHARM
:
Car repair manuals for everyone.
Home
>>
Chevrolet
>>
2004
>>
Classic L4-2.2L VIN F
>>
Repair and Diagnosis
>>
Windows and Glass
>>
Windows
>>
Power Window Motor
>>
Locations
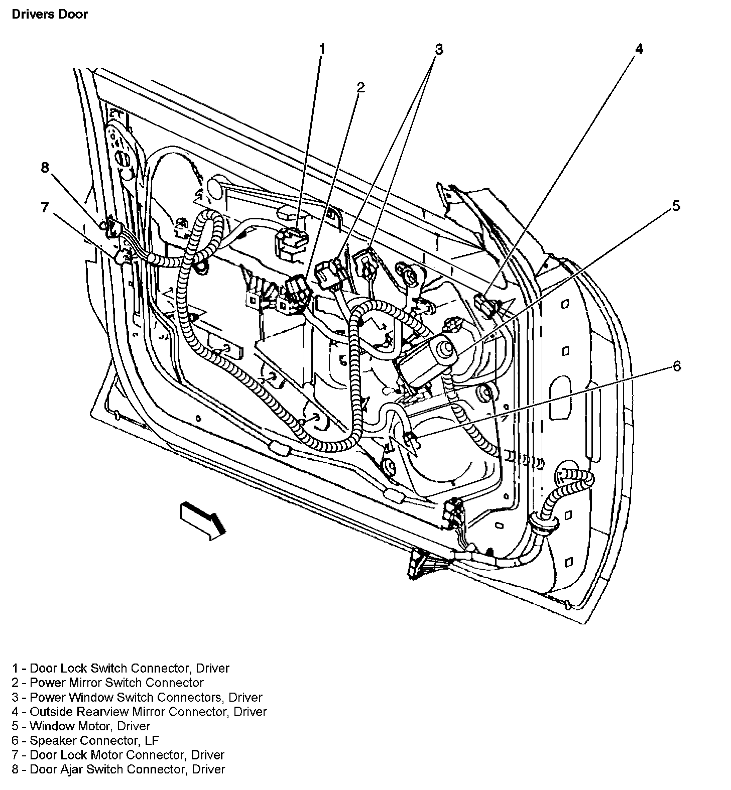
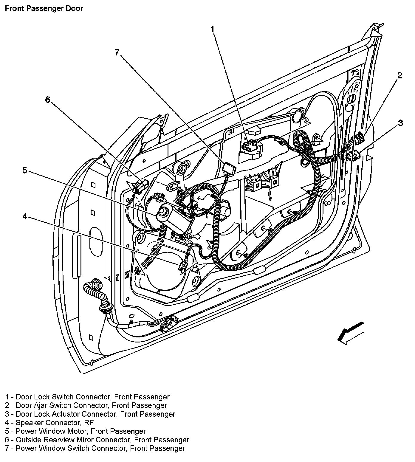
Power Window Motor: Locations
Drivers Door:
Front Passenger Door: