FREE REPAIR MANUALS & LABOR GUIDES 1982-2013 Vehicles
Courtesy of Operation CHARM
:
Car repair manuals for everyone.
Home
>>
Chevrolet
>>
2004
>>
Classic L4-2.2L VIN F
>>
Repair and Diagnosis
>>
Relays and Modules
>>
Relays and Modules - Powertrain Management
>>
Relays and Modules - Computers and Control Systems
>>
Body Control Module
>>
Locations
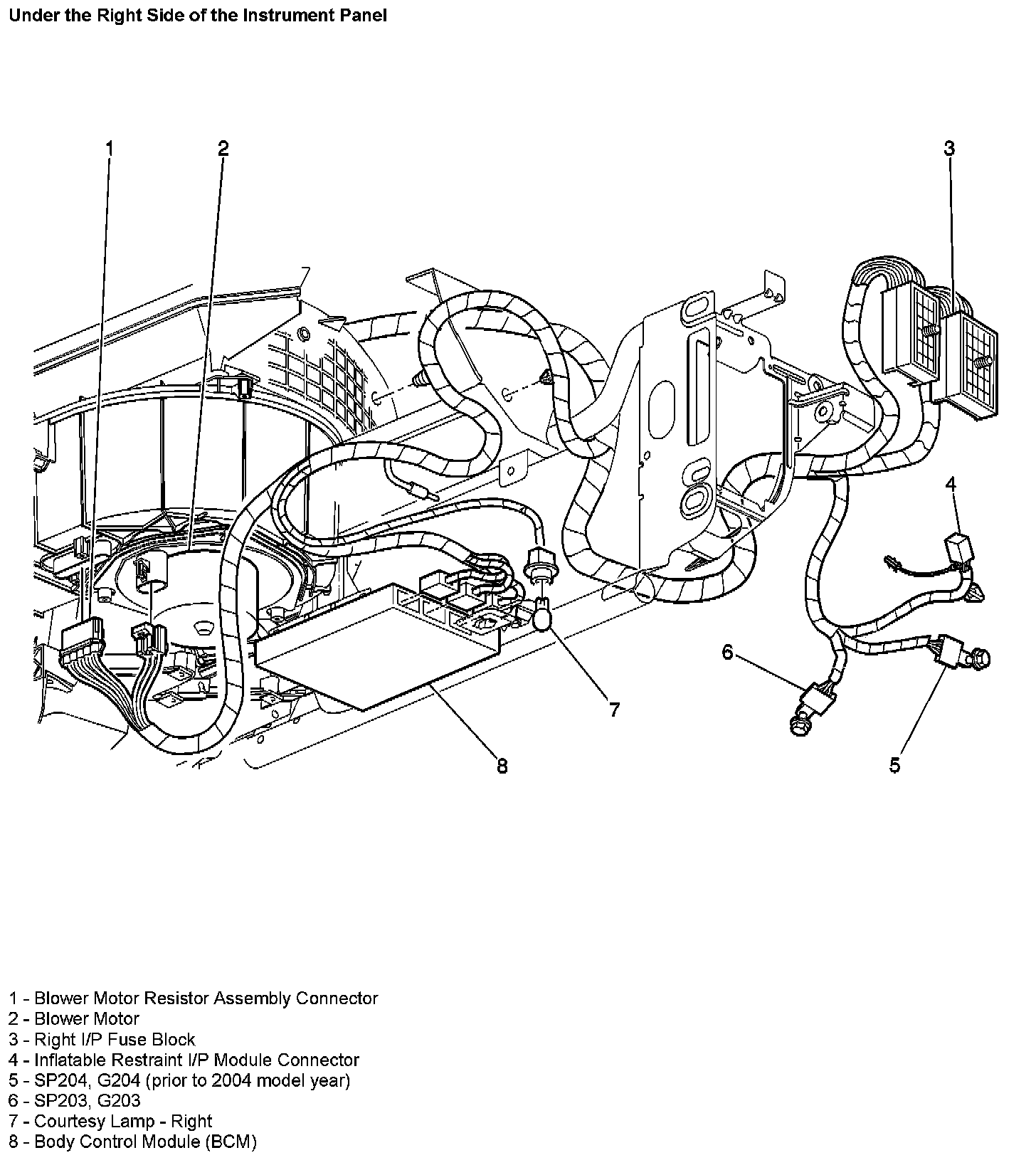
Body Control Module: Locations
Under The Right Side Of The Instrument Panel: