FREE REPAIR MANUALS & LABOR GUIDES 1982-2013 Vehicles
Courtesy of Operation CHARM
:
Car repair manuals for everyone.
Home
>>
Chevrolet
>>
2004
>>
Classic L4-2.2L VIN F
>>
Repair and Diagnosis
>>
Diagrams
>>
Electrical Diagrams
>>
Windows
>>
System Diagram
System Diagram
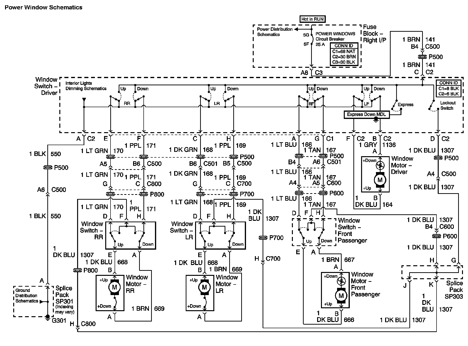
Power Window Diagram: