FREE REPAIR MANUALS & LABOR GUIDES 1982-2013 Vehicles
Courtesy of Operation CHARM
:
Car repair manuals for everyone.
Home
>>
Chevrolet
>>
2004
>>
Classic L4-2.2L VIN F
>>
Repair and Diagnosis
>>
Diagrams
>>
Electrical Diagrams
>>
Antitheft and Alarm Systems
Antitheft and Alarm Systems
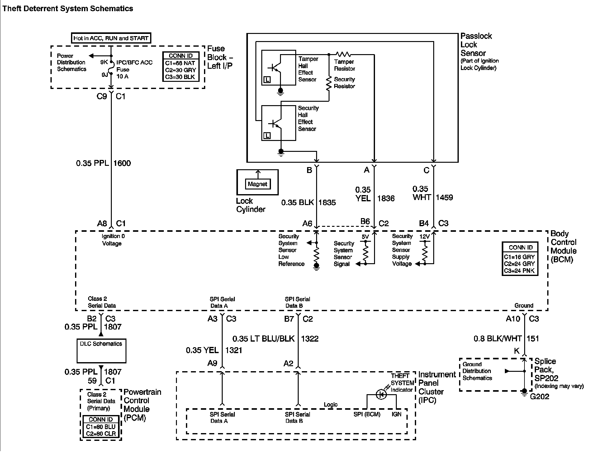
Theft Deterrent System Diagram: