FREE REPAIR MANUALS & LABOR GUIDES 1982-2013 Vehicles
Courtesy of Operation CHARM
:
Car repair manuals for everyone.
Home
>>
Chevrolet
>>
2004
>>
Cavalier L4-2.2L VIN F
>>
Repair and Diagnosis
>>
Diagrams
>>
Exploded Views
>>
Steering Column
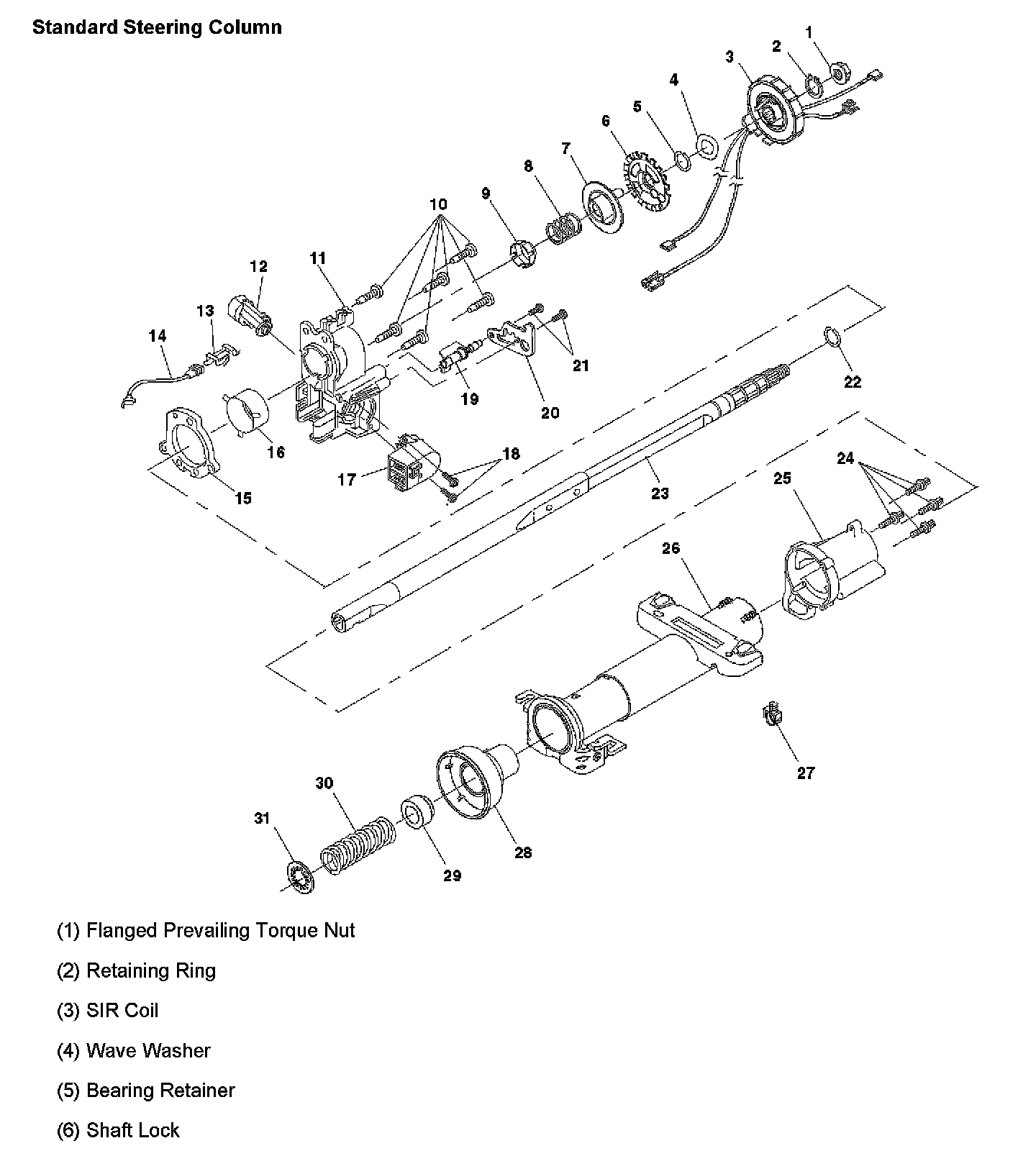
Steering Column
Tilt, Floor Shift Steering Column Part 1:
Tilt, Floor Shift Steering Column Part 2:
Standard Steering Column Part 1:
Standard Steering Column Part 2: