FREE REPAIR MANUALS & LABOR GUIDES 1982-2013 Vehicles
Courtesy of Operation CHARM
:
Car repair manuals for everyone.
Home
>>
Chevrolet
>>
2004
>>
Cavalier L4-2.2L VIN F
>>
Repair and Diagnosis
>>
Cruise Control
>>
Diagrams
Cruise Control: Diagrams
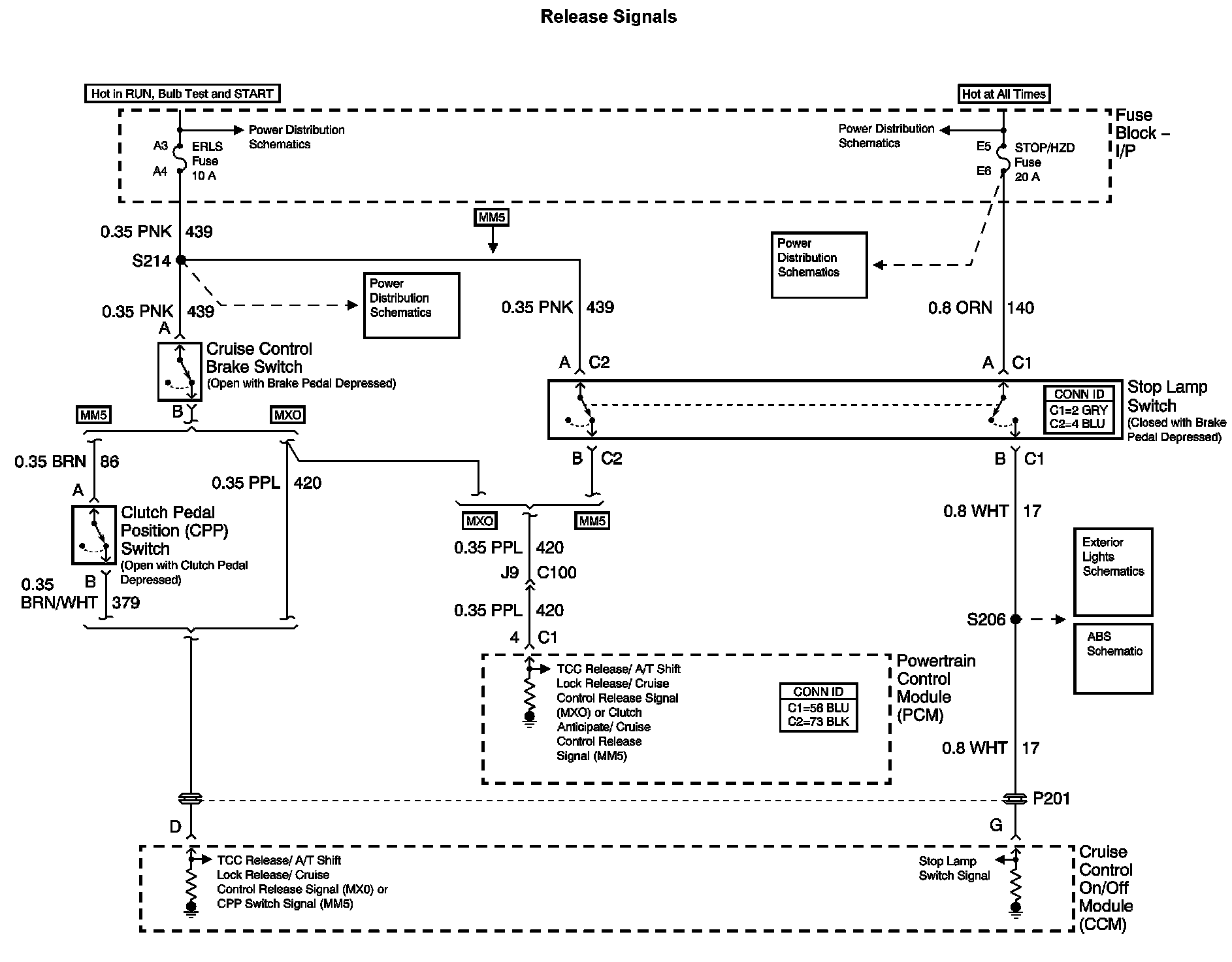
Cruise Control Diagram 1:
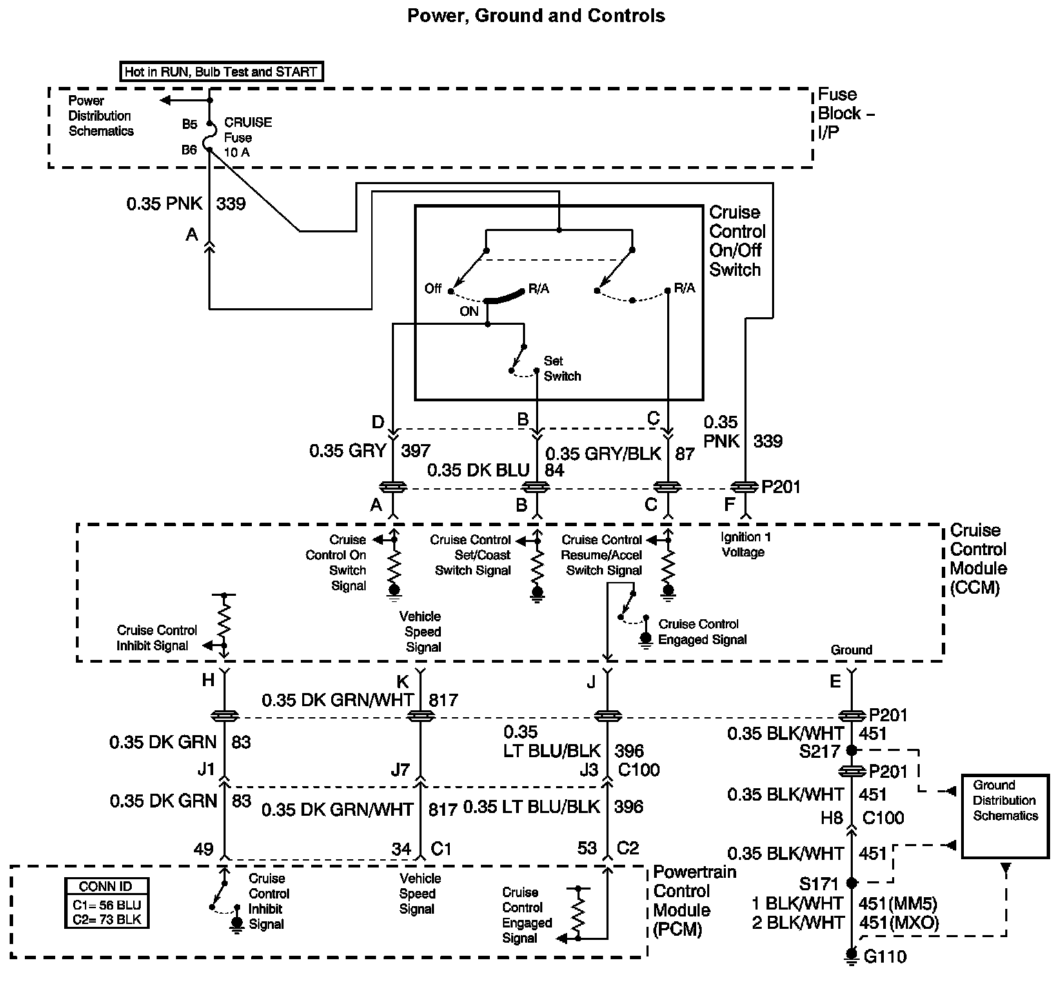
Cruise Control Diagram 2: