FREE REPAIR MANUALS & LABOR GUIDES 1982-2013 Vehicles
Courtesy of Operation CHARM: Car repair manuals for everyone.

Electronic Brake Control Module: Service and Repair

Electronic Brake Control Module (EBCM) Replacement

Notice: Always connect or disconnect the wiring harness connector from the EBCM/EBTCM with the ignition switch in the OFF position. Failure to observe this precaution could result in damage to the EBCM/EBTCM.

Removal Procedure





1. Turn the ignition switch to the OFF position
2. Clean the Electronic Brake Control Module (EBCM) to Brake Pressure Modulator Valve (BPMV) area of any accumulated dirt and foreign material.
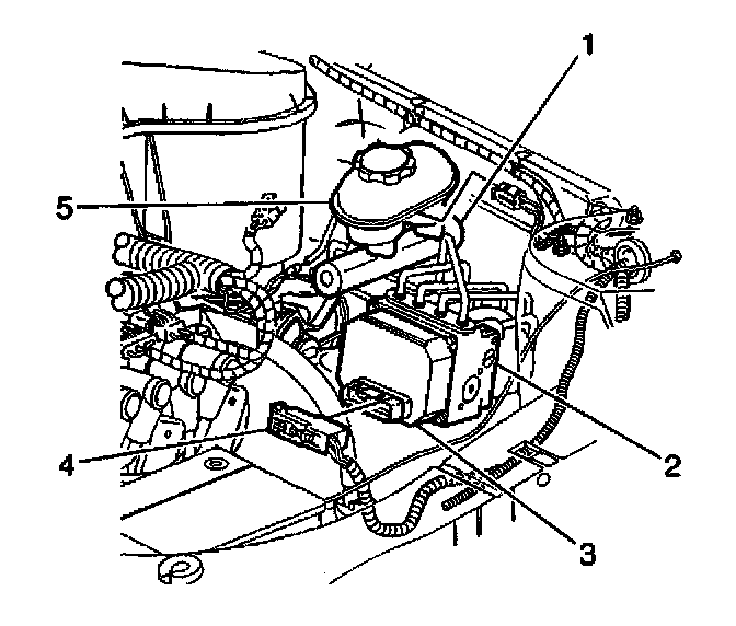
3. Disengage the electrical Connector Position Assurance (CPA) locking tab (1) from the connector sliding cover lock tab.
4. Depress the cover lock tab, then move the sliding connector cover (2) to the open position.





5. Disconnect the electrical harness connector (4) from the EBCM (3).





6. Remove the 4 EBCM-to-BPMV retaining bolts.

Important:
^ Do not pry apart the EBCM (1) from the BPMV (2) using a tool. Be careful not to damage seal on the EBCM or the mating surface of the BPMV.
^ Care must be taken not to damage the solenoids when the EBCM is removed from the BPMV.

7. Separate the EBCM (1) from the BPMV (2) by carefully pulling apart.

Installation Procedure





1. Clean the sealing surface of the BPMV, with denatured alcohol and a clean shop cloth.
2. If the EBCM that was removed is being reinstalled, clean the seal and sealing surface of the EBCM, with denatured alcohol and a clean shop cloth.
3. Install the EBCM (1) to the BPMV (2). Use care when aligning the EBCM to the BPMV electrical terminals.

Notice: Refer to Fastener Notice in Service Precautions.

4. Install the 4 EBCM-to-BPMV retaining bolts. Tighten the bolts in a cries-cross pattern.
^ Tighten the bolts to 5 Nm (44 inch lbs.).





5. Connect the electrical harness connector (4) to the EBCM (3).





6. Depress the cover lock tab, then move the sliding connector cover (2) to the home position to lock.
7. Engage the electrical connector CPA locking tab (1) to the connector sliding cover lock tab.

Important: Do NOT start the engine, but only turn the ignition switch to the ON position.

8. Perform the ABS Diagnostic System Check. Refer to Diagnostic System Check - ABS.