Lock Replacement - Front Door
LOCK REPLACEMENT - FRONT DOORREMOVAL PROCEDURE
1. Remove the trim panel.
2. Remove the water deflector.
3. Remove the inside door handle.
4. Remove the clip securing the inside handle rods to the door.
5. Use side cutters in order to cut off the outside handle rod-to-lock clip from the lock.
6. Unscrew the remainder of the clip from the outside handle rod.
Discard the clip.
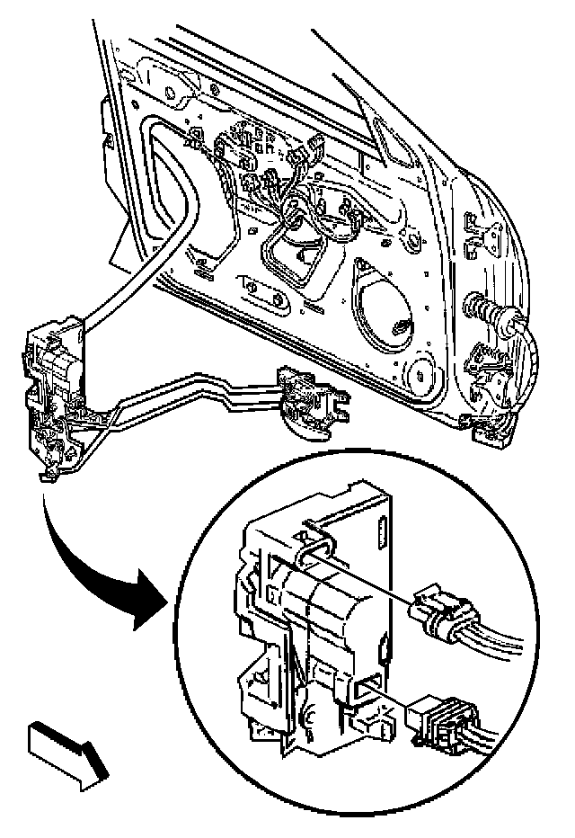
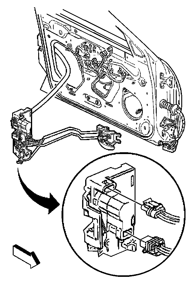
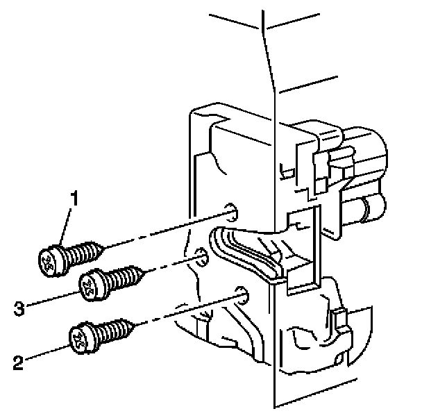
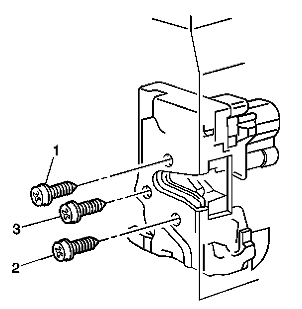
7. Remove the screws (1, 2, 3) securing the lock to the door.
8. Disconnect the electrical connectors.
9. Remove the inside handle rod, and lock rod from the lock.
INSTALLATION PROCEDURE
1. Install the inside handle rods to the lock.
2. Install the door lock in position through the access hole in the door inner panel.
3. Connect the electrical connectors.
4. Install the door lock screws in the correct fastener tightening sequence.
NOTE: Refer to Fastener Notice in Service Precautions.
IMPORTANT: Use Loctite(R) Blue GM P/N 12345382 or equivalent prior to installing the fasteners.
Tighten
1. Tighten the top door lock screw (1) to 10 N.m (89 lb in).
2. Tighten the bottom door lock screw (2) to 10 N.m (89 lb in).
3. Tighten the middle door lock screw (3) to 10 N.m (89 lb in).
4. Press a new outside handle rod-to-lock clip onto the door lock lever.
5. Position the outside door handle rod in the clip in order to eliminate any free play in the outside door handle.
6. Press the clip cover closed over the threaded outside door handle rod.
7. Install the clip to the inside handle rods.
8. Remove the inside door handle.
9. Install the water deflector.
10. Install the trim panel.