FREE REPAIR MANUALS & LABOR GUIDES 1982-2013 Vehicles
Courtesy of Operation CHARM
:
Car repair manuals for everyone.
Home
>>
Chevrolet
>>
1987
>>
Nova/Chevy II L4-1600cc 4ALC Nummi
>>
Repair and Diagnosis
>>
Diagrams
>>
Components
>>
Relays
>>
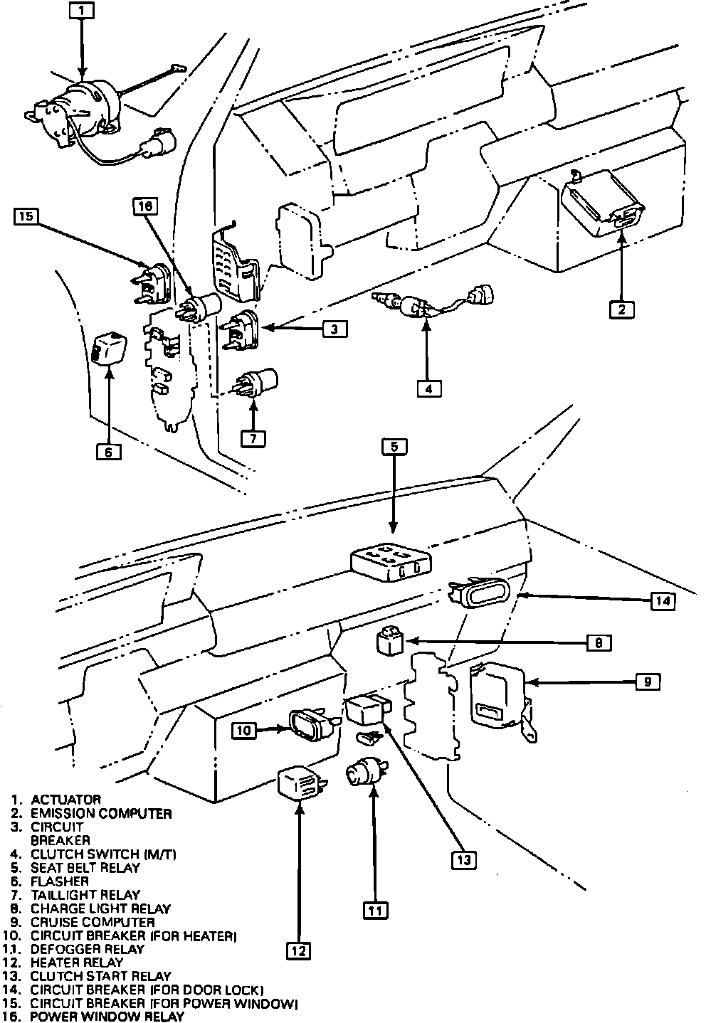
Defogger Relay
Defogger Relay
Passenger compartment switches & relays:
RH Side Of Dash