FREE REPAIR MANUALS & LABOR GUIDES 1982-2013 Vehicles
Courtesy of Operation CHARM
:
Car repair manuals for everyone.
Home
>>
Cadillac
>>
2010
>>
CTS Sedan RWD V8-6.2L SC
>>
Repair and Diagnosis
>>
Powertrain Management
>>
Computers and Control Systems
>>
Battery Current Sensor
>>
Service and Repair
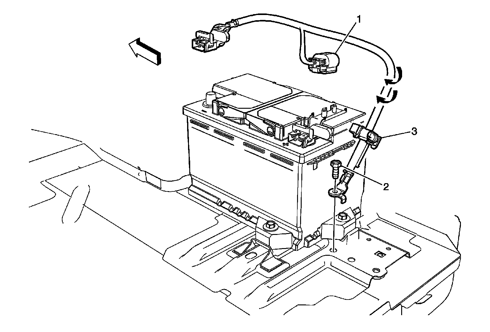
Battery Current Sensor: Service and Repair
Battery Current Sensor
Replacement