Timing Cover: Service and Repair
Engine Front Cover Replacement
Removal Procedure
1. Drain the engine cooling system. Refer to Cooling System Draining and Filling (GE 47716) (Service and Repair)Cooling System Draining and Filling (Static Fill) (Service and Repair).
2. Drain the charge air cooling system. Refer to Charge Air Cooling System Draining and Filling (Static Fill) (Charge Air Cooling System Draining and Filling (Static Fill))Charge Air Cooling System Draining and Filling (Vac N Fill) (Charge Air Cooling System Draining and Filling (Vac N Fill)).
3. Remove the supercharger assembly. Refer to Supercharger Replacement (Supercharger Replacement).
4. Remove the water outlet housing. Refer to Water Outlet Replacement (LF1/LLT) (Service and Repair)Water Outlet Replacement (LC3) (Service and Repair)Water Outlet Replacement (LH2) (Service and Repair).
5. Remove the air conditioning, power steering, and water pump drive belt. Refer to Water Pump and Air Conditioning Compressor and Power Steering Pump Belt Replacement (Water Pump and Air Conditioning Compressor and Power Steering Pump Belt Replacement).
6. Remove the air conditioning, power steering, and water pump drive belt tensioner. Refer to Drive Belt Tensioner Replacement - Air Conditioning, Power Steering, and Water Pump (Drive Belt Tensioner Replacement - Air Conditioning, Power Steering, and Water Pump).
7. Remove the air conditioning, power steering, and water pump drive belt idler pulley. Refer to Belt Idler Pulley Replacement (Belt Idler Pulley Replacement).
8. Remove the supercharger drive belt tensioner. Refer to Supercharger Belt Tensioner Replacement (Supercharger Belt Tensioner Replacement).
9. Remove the supercharger drive belt idler pulley that mounts to the front cover. Refer to Belt Idler Pulley Replacement - Supercharger (Belt Idler Pulley Replacement - Supercharger).
10. Remove the front engine compartment sight shield. Refer to Front Compartment Sight Shields Replacement (Front Compartment Sight Shields Replacement).
11. Remove the electric cooling fan assembly. Refer to Engine Coolant Fan Replacement (LH2 Heavy Duty Cooling) (Service and Repair)Engine Coolant Fan Replacement (LC3, LY7) (Service and Repair)Engine Coolant Fan Replacement (LH2 without V92, LLT) (Service and Repair).
12. Remove the charge air cooling coolant pump. Refer to Charge Air Cooler Coolant Pump Replacement (Charge Air Cooler Coolant Pump Replacement).
13. Remove the charge air cooler radiator inlet and outlet hoses. Refer to Charge Air Cooler Inlet Hose Replacement (Charge Air Cooler Inlet Hose Replacement) and Charge Air Cooler Outlet Hose Replacement (Charge Air Cooler Outlet Hose Replacement).
14. Remove the heater hose from the thermostat housing. Refer to Heater Outlet Hose Replacement (LH2) (Service and Repair)Heater Outlet Hose Replacement (LY7) (Service and Repair).
15. Remove the radiator hose from the thermostat housing.
16. Remove the generator drive belt. Refer to Generator Belt Replacement (Generator Belt Replacement).
17. Remove the generator drive belt tensioner. Refer to Drive Belt Tensioner Replacement - Generator (Drive Belt Tensioner Replacement - Generator).
18. Remove the water pump pulley. Refer to Water Pump Replacement (LF1/LLT) (Service and Repair)Water Pump Replacement (LC3) (Service and Repair)Water Pump Replacement (LH2) (Service and Repair).
19. Remove the crankshaft balancer (2). Refer to Crankshaft Balancer Removal (Overhaul).
20. Ensure that you do not lose the oil pump drive to crankshaft balancer friction washer (3) that may come off with the balancer.
21. Remove the engine front cover bolts (3).
22. Remove the engine front cover (2).
23. Remove and discard the engine front cover gasket (1).
24. If replacing the front cover, remove the water pump, thermostat, and front cover fitting. Refer to Engine Front Cover Disassemble (Overhaul).
25. Clean and inspect the front cover. Refer to Engine Front Cover Cleaning and Inspection (Overhaul).
26. Clean and inspect the front cover mating surface.
Installation Procedure
1. Ensure that the oil pump drive to crankshaft balancer friction washer is in place.
2. If previously removed, install the water pump, the thermostat, and the front cover fitting. Refer to Engine Front Cover Assemble (Overhaul).
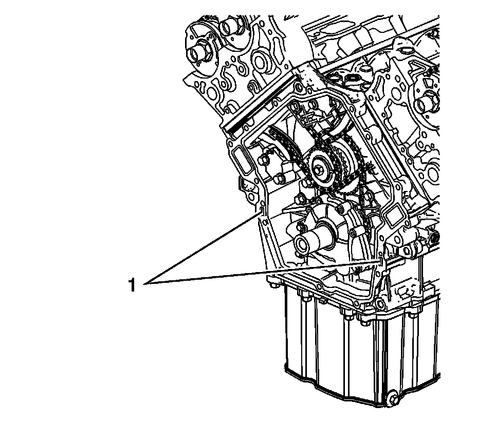
3. Place a small amount of sealant at the split line of the upper and lower crankcases (1). Refer to Adhesives, Fluids, Lubricants, and Sealers (Specifications) for the correct part number.
4. Place the NEW engine front cover gasket over the crankcase dowel pins.
5. Place a small amount of sealant at the engine front cover gasket pad area located on top of the split line of the upper and lower crankcases (1). Refer to Adhesives, Fluids, Lubricants, and Sealers (Specifications) for the correct part number.
6. Place the engine front cover (2) in position on the crankcase.
7. Apply the thread locking compound to the threads of the engine front cover bolts (3). Refer to Adhesives, Fluids, Lubricants, and Sealers (Specifications) for the correct part number.
Caution: Refer to Fastener Caution (Fastener Caution).
8. Tighten the engine front cover bolts in the sequence shown.
Tighten the engine front cover bolts in proper sequence to 15 Nm (11 lb ft).
9. Install the crankshaft balancer (2). Refer to Crankshaft Balancer Installation (Overhaul).
10. Install the water pump pulley. Refer to Water Pump Replacement (LF1/LLT) (Service and Repair)Water Pump Replacement (LC3) (Service and Repair)Water Pump Replacement (LH2) (Service and Repair).
11. Install the generator drive belt tensioner. Refer to Drive Belt Tensioner Replacement - Generator (Drive Belt Tensioner Replacement - Generator).
12. Install the generator drive belt. Refer to Generator Belt Replacement (Generator Belt Replacement).
13. Install the radiator hose to the thermostat housing.
14. Install the heater hose to the thermostat housing. Refer to Heater Outlet Hose Replacement (LH2) (Service and Repair)Heater Outlet Hose Replacement (LY7) (Service and Repair).
15. Install the charge air cooler radiator inlet and outlet hoses. Refer to Charge Air Cooler Inlet Hose Replacement (Charge Air Cooler Inlet Hose Replacement) and Charge Air Cooler Outlet Hose Replacement (Charge Air Cooler Outlet Hose Replacement).
16. Install the charge air cooling coolant pump. Refer to Charge Air Cooler Coolant Pump Replacement (Charge Air Cooler Coolant Pump Replacement).
17. Install the electric cooling fan assembly. Refer to Engine Coolant Fan Replacement (LH2 Heavy Duty Cooling) (Service and Repair)Engine Coolant Fan Replacement (LC3, LY7) (Service and Repair)Engine Coolant Fan Replacement (LH2 without V92, LLT) (Service and Repair).
18. Install the front engine compartment sight shield. Refer to Front Compartment Sight Shields Replacement (Front Compartment Sight Shields Replacement).
19. Install the supercharger drive belt idler pulley. Refer to Belt Idler Pulley Replacement - Supercharger (Belt Idler Pulley Replacement - Supercharger).
20. Install the supercharger drive belt tensioner. Refer to Supercharger Belt Tensioner Replacement (Supercharger Belt Tensioner Replacement).
21. Install the air conditioning, power steering, and water pump drive belt idler pulley. Refer to Belt Idler Pulley Replacement (Belt Idler Pulley Replacement).
22. Install the air conditioning, power steering, and water pump drive belt tensioner. Refer to Drive Belt Tensioner Replacement - Air Conditioning, Power Steering, and Water Pump (Drive Belt Tensioner Replacement - Air Conditioning, Power Steering, and Water Pump).
23. Install the air conditioning, power steering, and water pump drive belt. Refer to Water Pump and Air Conditioning Compressor and Power Steering Pump Belt Replacement (Water Pump and Air Conditioning Compressor and Power Steering Pump Belt Replacement).
24. Install the water outlet housing. Refer to Water Outlet Replacement (LF1/LLT) (Service and Repair)Water Outlet Replacement (LC3) (Service and Repair)Water Outlet Replacement (LH2) (Service and Repair).
25. Install the supercharger assembly. Refer to Supercharger Replacement (Supercharger Replacement).
26. Fill the charge air cooling system with coolant. Refer to Charge Air Cooling System Draining and Filling (Static Fill) (Charge Air Cooling System Draining and Filling (Static Fill))Charge Air Cooling System Draining and Filling (Vac N Fill) (Charge Air Cooling System Draining and Filling (Vac N Fill)).
27. Fill the engine cooling system with coolant. Refer to Cooling System Draining and Filling (GE 47716) (Service and Repair)Cooling System Draining and Filling (Static Fill) (Service and Repair).
28. Check the front cover, the engine cooling system, and the charge air cooling system for leaks.