FREE REPAIR MANUALS & LABOR GUIDES 1982-2013 Vehicles
Courtesy of Operation CHARM
:
Car repair manuals for everyone.
Home
>>
Cadillac
>>
1999
>>
Seville STS V8-4.6L VIN 9
>>
Repair and Diagnosis
>>
Relays and Modules
>>
Relays and Modules - HVAC
>>
Control Module HVAC
>>
Locations
>>
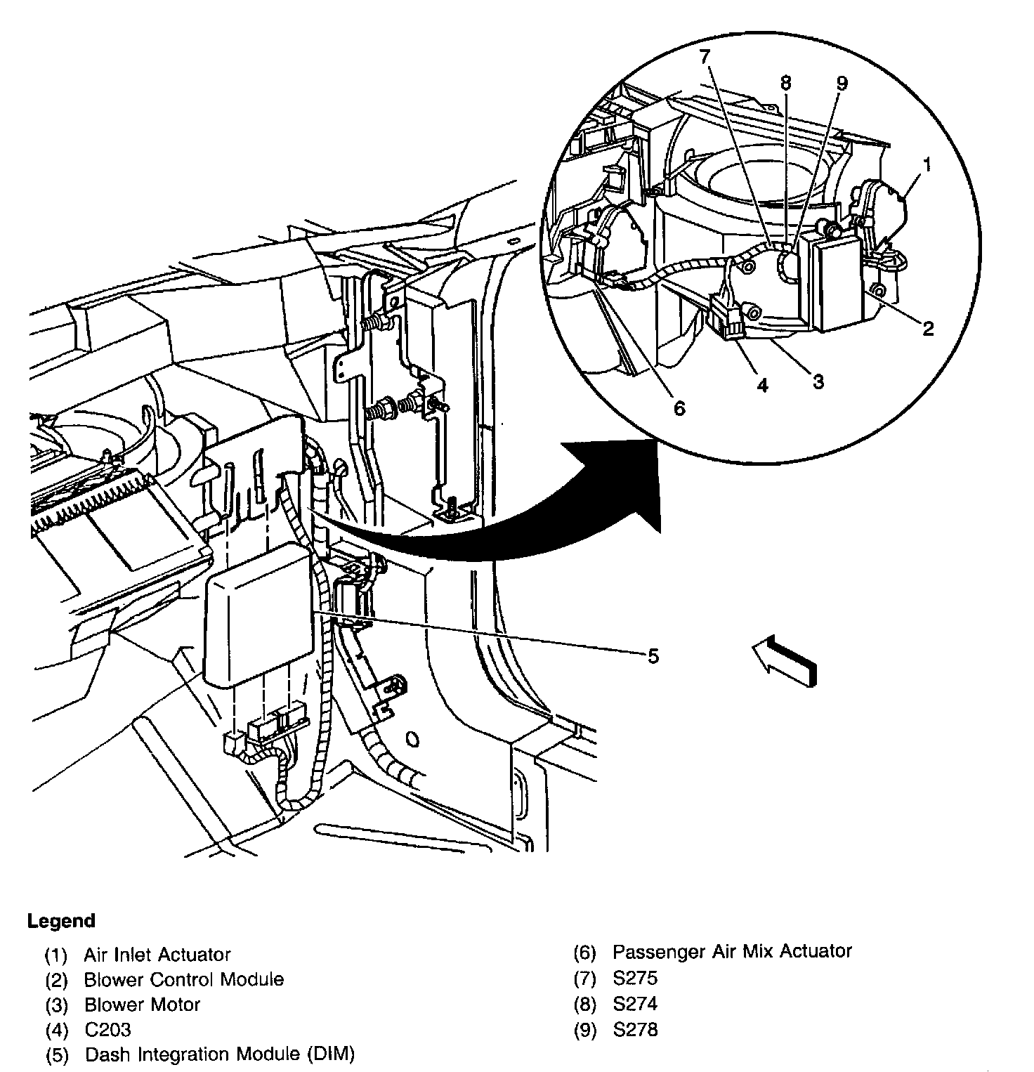
Blower Motor Control Module
Blower Motor Control Module
Passenger Compartment, Right Side Below The IP:
Passenger Compartment, Right Side Below The IP:
Under right hand of the instrument panel, on the HVAC module