FREE REPAIR MANUALS & LABOR GUIDES 1982-2013 Vehicles
Courtesy of Operation CHARM
:
Car repair manuals for everyone.
Home
>>
Cadillac
>>
1997
>>
Catera V6-3.0L VIN R
>>
Repair and Diagnosis
>>
Locations
>>
Component Locations
>>
Modules
>>
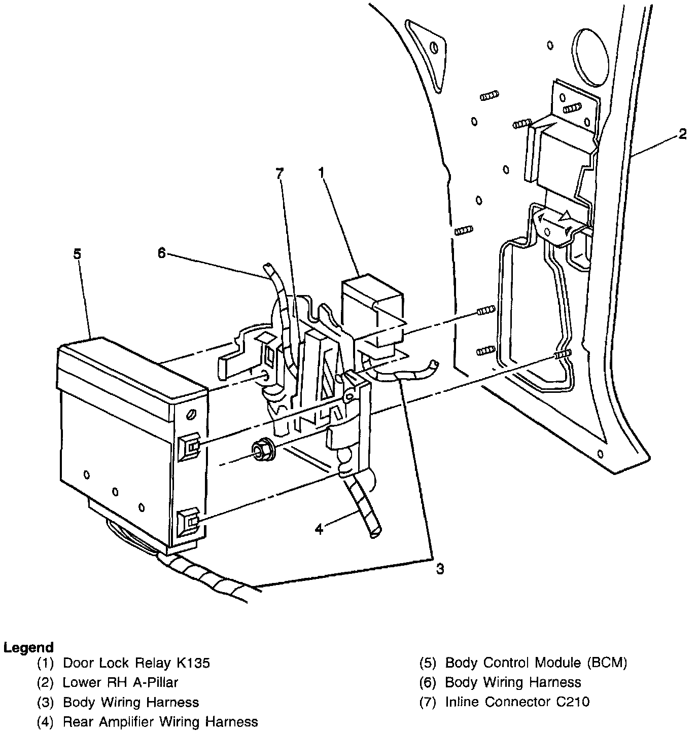
Body Control Module (BCM)
Body Control Module (BCM)
Lower RH A-Pillar And BCM: