FREE REPAIR MANUALS & LABOR GUIDES 1982-2013 Vehicles
Courtesy of Operation CHARM: Car repair manuals for everyone.

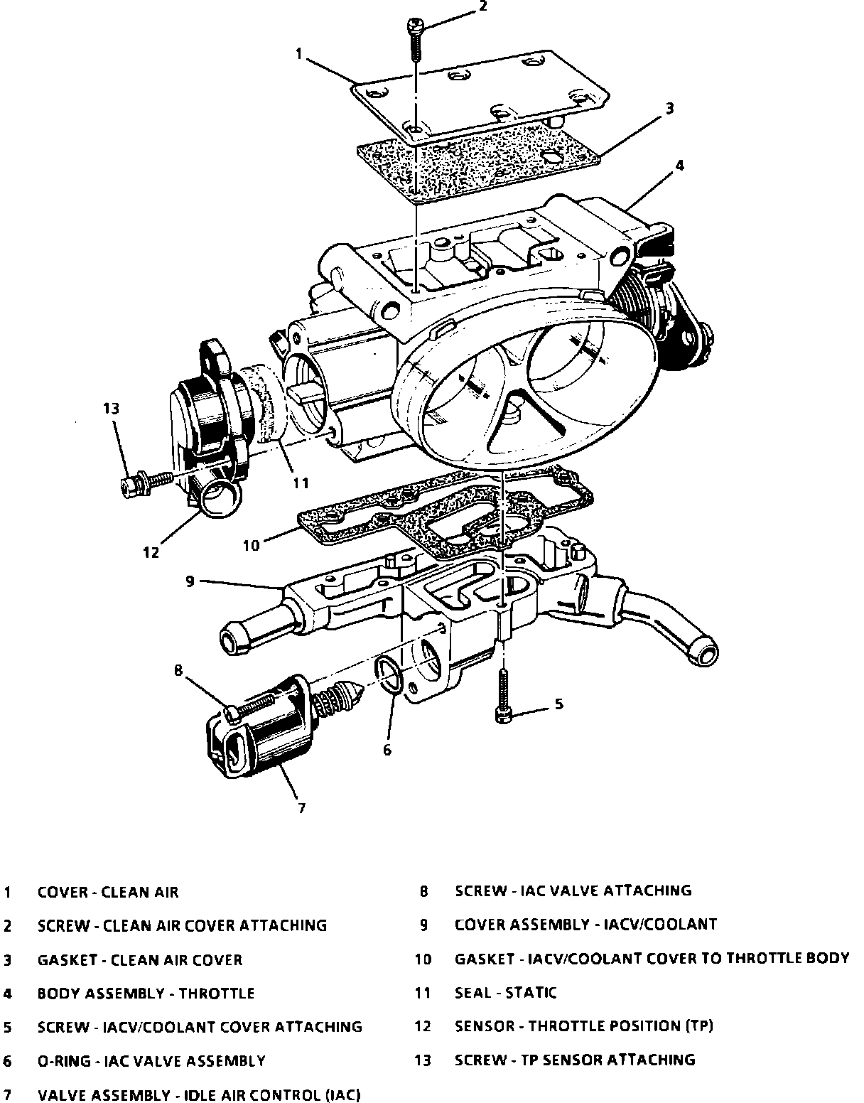
Throttle Position Sensor: Service and Repair

Throttle Body Assembly:





Remove or Disconnect:
1. Disconnect electrical connector
2. Remove TP sensor attaching screws
3. Remove TP sensor

Install or Connect:
1. With throttle in closed position, install the throttle position sensor on the throttle body assembly, making sure TP sensor lever lines up with the TP sensor drive lever on the throttle shaft.
2. Coat TP sensor attaching screws with appropriate thread locking material
3. Tighten TP sensor attaching screws
Torque Value: 2.0 N-m (18 lb.in.)