FREE REPAIR MANUALS & LABOR GUIDES 1982-2013 Vehicles
Courtesy of Operation CHARM
:
Car repair manuals for everyone.
Home
>>
Cadillac
>>
1994
>>
DeVille V8-4.9L VIN B
>>
Repair and Diagnosis
>>
Diagrams
>>
Components
>>
Modules
>>
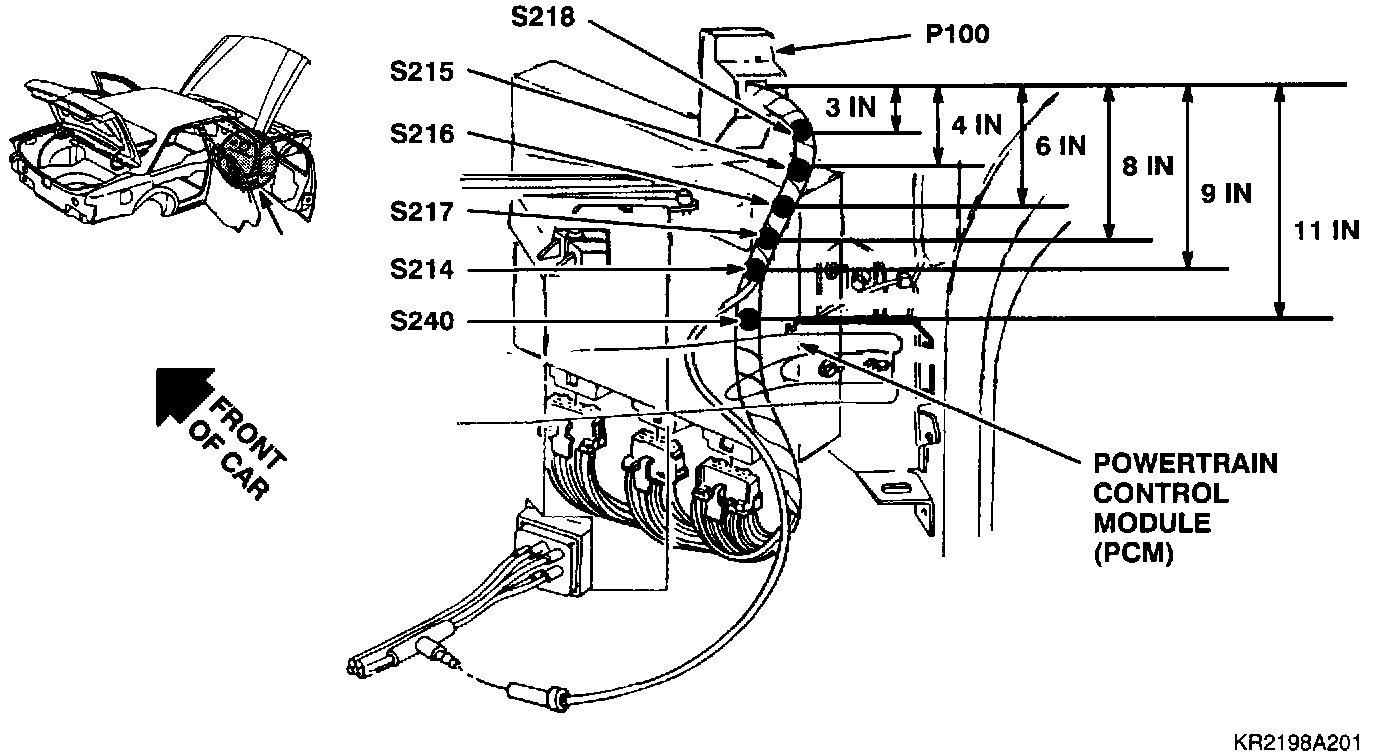
Powertrain Control Module (PCM)
Powertrain Control Module (PCM)
Behind RH Side Of I/P:
Behind RH Side Of I/P: