FREE REPAIR MANUALS & LABOR GUIDES 1982-2013 Vehicles
Courtesy of Operation CHARM
:
Car repair manuals for everyone.
Home
>>
Buick
>>
2012
>>
Regal L4-2.0L Turbo
>>
Repair and Diagnosis
>>
Starting and Charging
>>
Battery
>>
Battery Cable
>>
Negative
>>
Service and Repair
>>
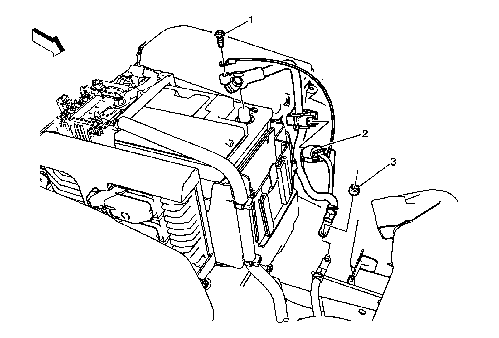
Battery Negative Cable Replacement
Battery Negative Cable Replacement
Battery Negative Cable Replacement