FREE REPAIR MANUALS & LABOR GUIDES 1982-2013 Vehicles
Courtesy of Operation CHARM
:
Car repair manuals for everyone.
Home
>>
Acura
>>
2002
>>
3.2TL TYPE S V6-3.2L SOHC
>>
Repair and Diagnosis
>>
Heating and Air Conditioning
>>
Control Assembly
>>
Locations
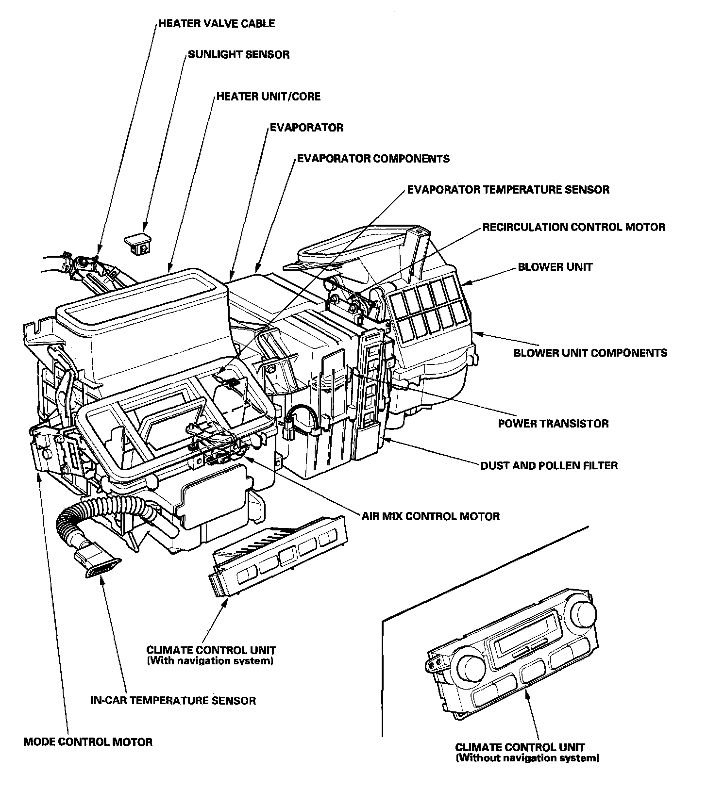
Control Assembly: Locations
Climate Control - Component Location Index:
64. Top Center Of Dash: