FREE REPAIR MANUALS & LABOR GUIDES 1982-2013 Vehicles
Courtesy of Operation CHARM
:
Car repair manuals for everyone.
Home
>>
Acura
>>
2002
>>
3.2TL TYPE S V6-3.2L SOHC
>>
Repair and Diagnosis
>>
Diagrams
>>
Exploded Views
>>
Cooling System
>>
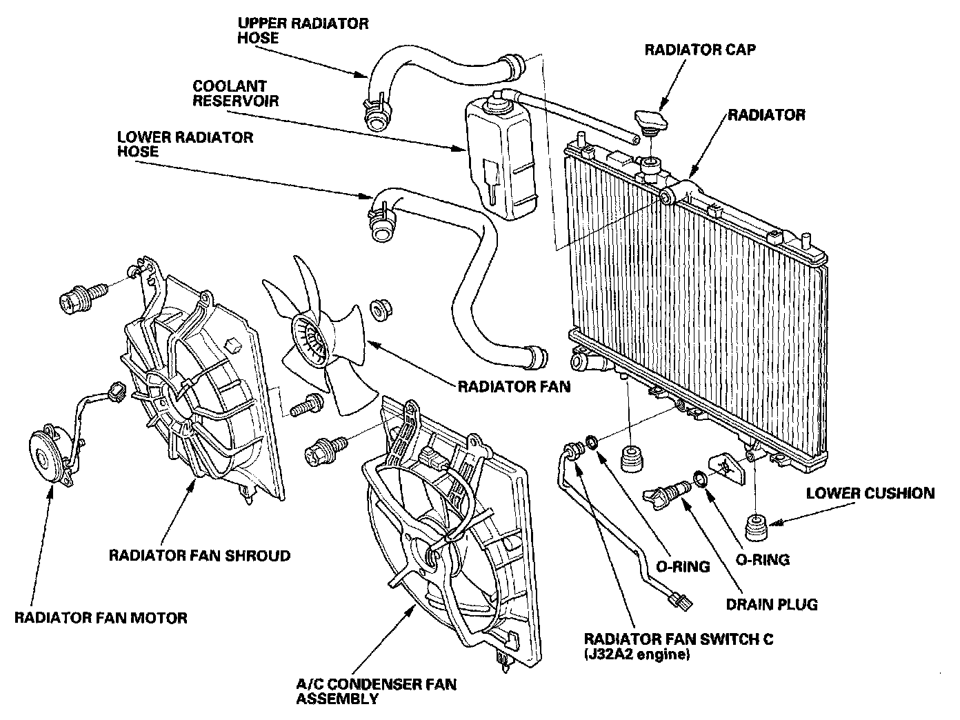
System Diagram
System Diagram
Component Location Index
Part 1 of 3
Part 2 of 3
Part 3 of 3