FREE REPAIR MANUALS & LABOR GUIDES 1982-2013 Vehicles
Courtesy of Operation CHARM: Car repair manuals for everyone.

Cruise Control Servo: Service and Repair

Actuator/Cable Replacement




1. Loosen the locknut (A), then disconnect the actuator cable (B) from the throttle linkage.




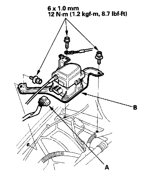
2. Disconnect the 4P connector (A) from the actuator.
3. Remove the three mounting bolts, and remove the actuator assembly (B).




4. Remove the actuator cover (A), then remove the actuator cable (B) from the actuator.




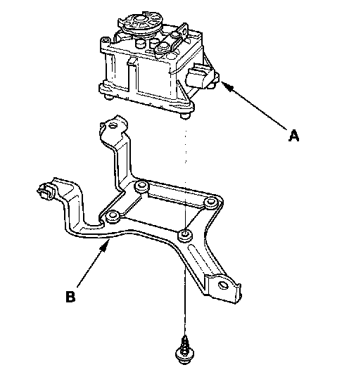
5. Remove the actuator (A) from the bracket (B).
6. Install in the reverse order of removal, and adjust the free play at the throttle linkage after connecting the actuator cable.