FREE REPAIR MANUALS & LABOR GUIDES 1982-2013 Vehicles
Courtesy of Operation CHARM
:
Car repair manuals for everyone.
Home
>>
Acura
>>
2000
>>
Integra GS-R Sedan L4-1797cc 1.8L DOHC (VTEC) MFI
>>
Repair and Diagnosis
>>
Diagrams
>>
Exploded Views
>>
Automatic Transmission/Transaxle
>>
Automatic Transaxle
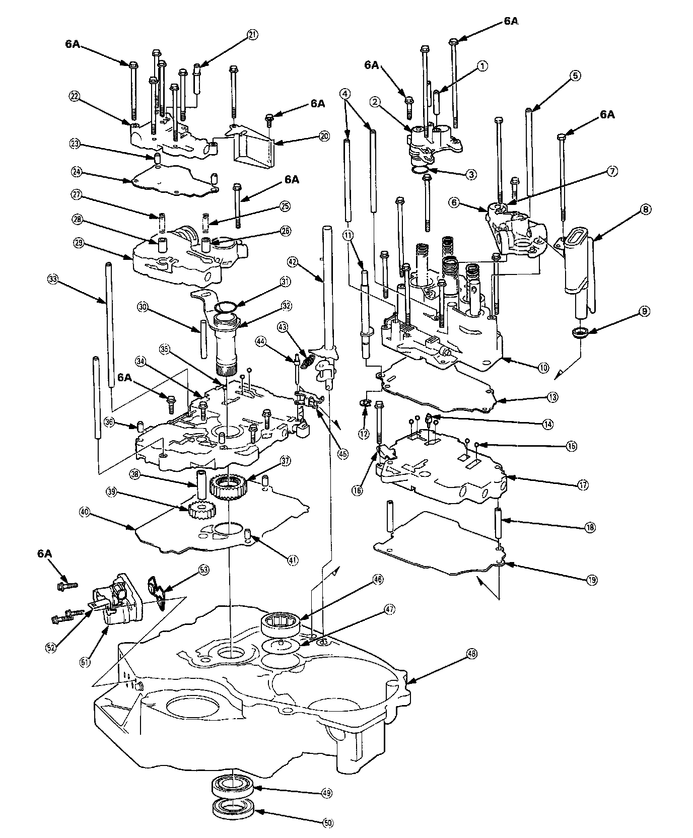
Automatic Transaxle
TRANSMISSION/RIGHT SIDE COVER
TRANSMISSION HOUSING
TORQUE CONVERTER HOUSING/VALVE BODY