FREE REPAIR MANUALS & LABOR GUIDES 1982-2013 Vehicles
Courtesy of Operation CHARM: Car repair manuals for everyone.

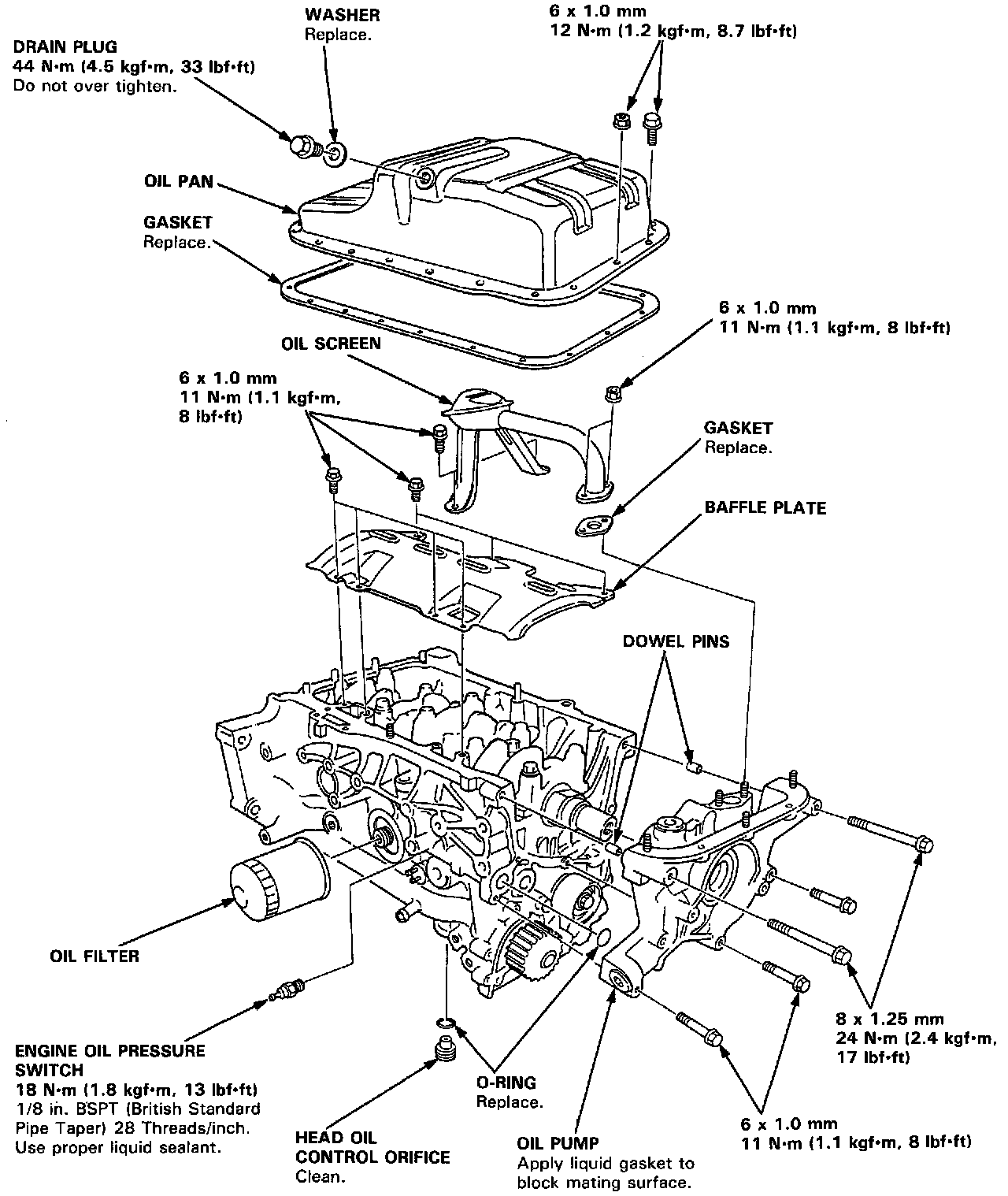
System Diagram





CAUTION: Do not overtighten the drain plug.

NOTE:
- Use new O-rings when reassembling.
- Apply oil to O-rings before installation.
- Use liquid gasket, Part No. 08718 - 0001 or 08718 -0003.
- Clean the oil pan gasket mating surfaces before installing it.