System Diagram
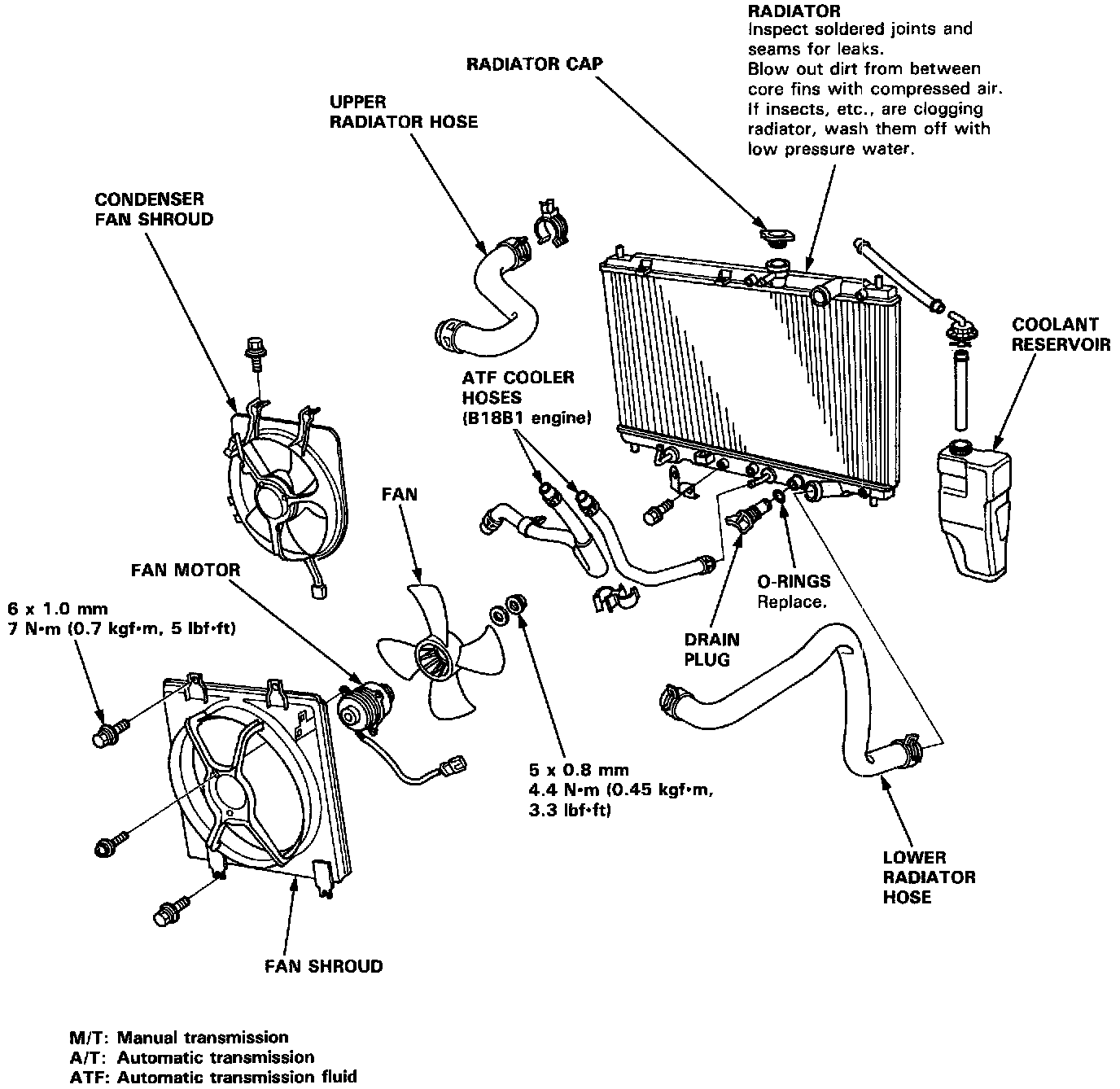
WARNING: System is under high pressure when the engine is hot. To avoid danger of releasing scalding engine coolant, remove the cap only when engine is cool.Total Cooling System Capacity (Including heater and reservoir)
B18B1 engine:
M/T: 6.4 l (6.8 US quart. 5.6 Imp quart)
A/T: 6.7 l (7.1 US quart. 5.9 Imp quart)
B18C1, B18C5 engines:
M/T: 6.7 l (7.1 US quart. 5.9 Imp quart)
CAUTION: If any engine coolant spills on painted portions of the body, rinse it off immediately.
NOTE:
- Check all cooling system hoses for damage, leaks or deterioration and replace if necessary.
- Check all hose clamps and retighten if necessary.
- Use new O-rings when reassembling.
Engine Compartment Hose Connections:
- B18B1 Engine
- B18C1 Engine
- B18C5 Engine