FREE REPAIR MANUALS & LABOR GUIDES 1982-2013 Vehicles
Courtesy of Operation CHARM: Car repair manuals for everyone.

System Specifications

Intake:






Exhaust Manifold:






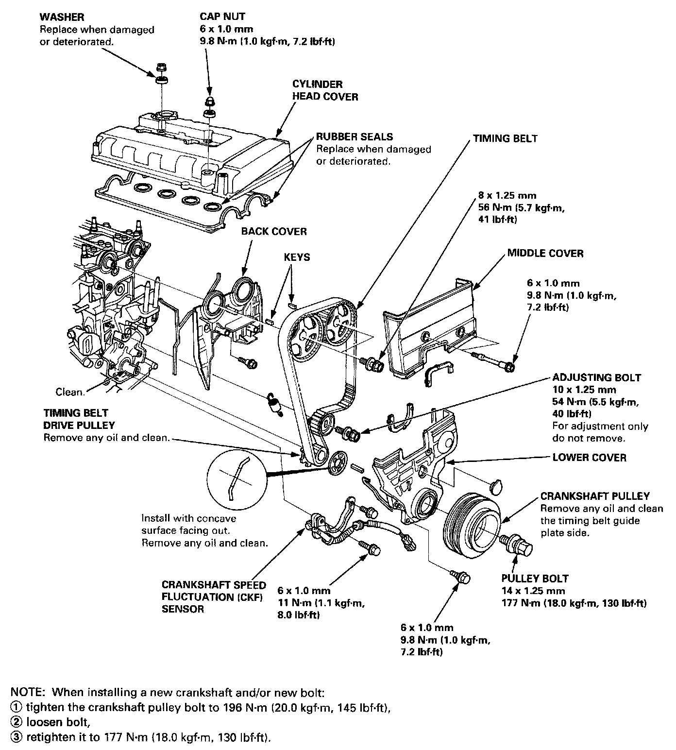
Upper Engine:











Cam Holder Torque/Sequence:






Head Bolt Torque Sequence:






Tighten head bolts, in sequence, in two steps:

1st step: Tighten to 30 N.m (3.0 kg-m, 22 lb.ft)
2nd step: Tighten to 85 N.m (8.7 kg-m, 63 lb.ft)


Water Pump:






Timing Components:






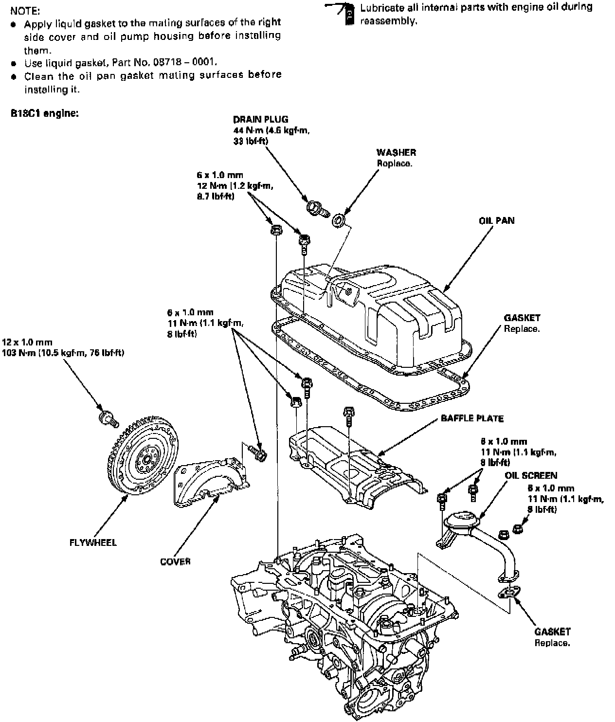
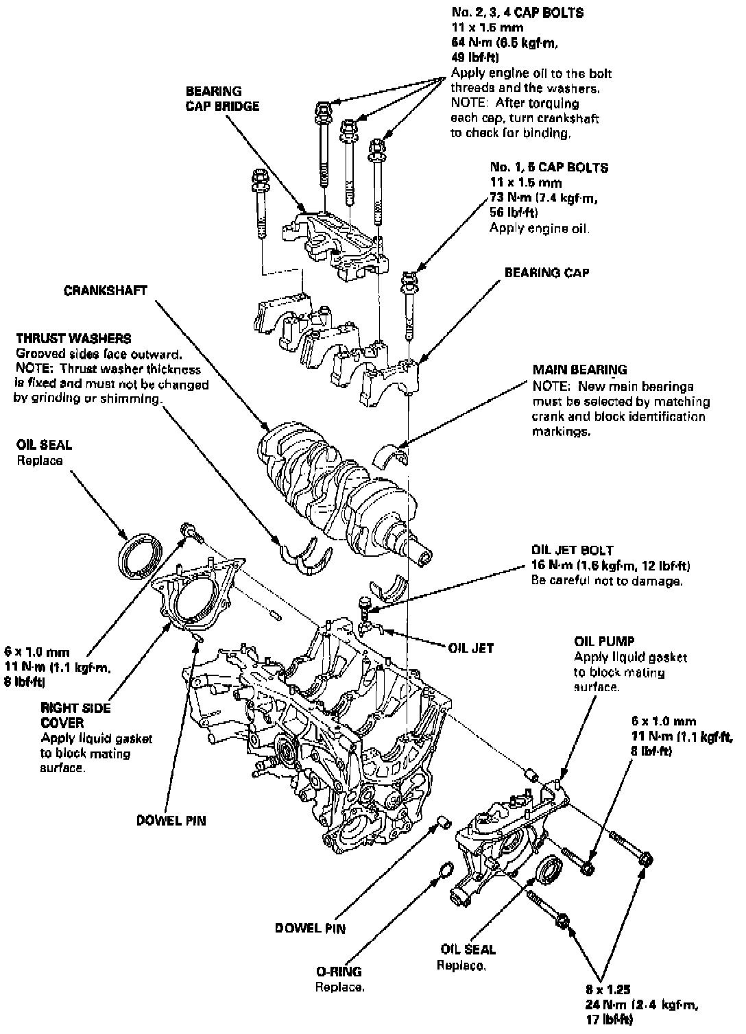
Lower Engine:
















Main Bearing Torque/Sequence:






Engine Lubrication:






Flywheel (M/T) Torque:






Drive Plate (A/T) Torque/Sequence: