FREE REPAIR MANUALS & LABOR GUIDES 1982-2013 Vehicles
Courtesy of Operation CHARM
:
Car repair manuals for everyone.
Home
>>
Acura
>>
1997
>>
Integra GS-R Sedan L4-1797cc 1.8L DOHC (VTEC) MFI
>>
Repair and Diagnosis
>>
Diagrams
>>
Exploded Views
>>
Engine Lubrication
>>
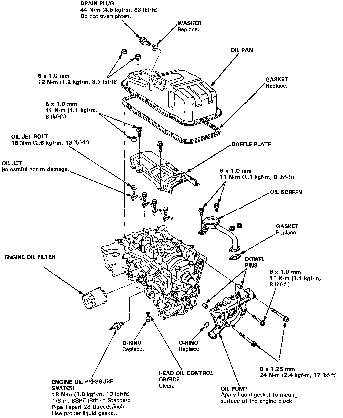
System Diagram
System Diagram