FREE REPAIR MANUALS & LABOR GUIDES 1982-2013 Vehicles
Courtesy of Operation CHARM: Car repair manuals for everyone.

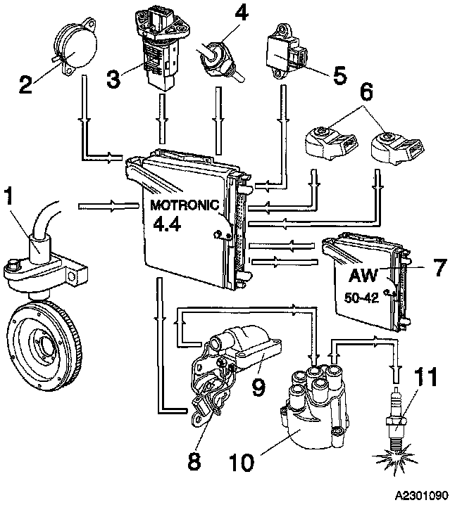
With Manual Transmission

IGNITION CONTROL





Ignition Control is based on the signals from the following components:

^ Engine Speed (RPM) Sensor (1)
^ Camshaft Position (CMP) Sensor (2)
^ Mass Air Flow (MAF) Sensor (3)
^ Engine Coolant Temperature (ECT) Sensor (4)
^ Throttle Position (TP) Sensor (5)
^ Knock Sensors (KS) 6
^ Automatic Transmission Control Module (TCM) (7)

The engine control module (ECM) calculates ignition timing and operates the ignition discharge module (IDM) (8) which interrupts power to the coil, in response to signals from the knock sensors (KS). The HT pulses generated are distributed to the spark plugs (11) by the distributor (10).

Timing is fixed during the start-up phase. However, when the engine has been started and the car is driven away, the engine control module (ECM) computes the optimum timing based on engine speed, load and temperature, and other parameters.

The engine control module (ECM) analyses signals from the knock sensors (KS) when the engine has reached working temperature. If engine knock occurs, ignition is retarded in the affected cylinder until knocking ceases.

The ignition is then advanced to its normal setting or until knock recurs.

Before shifting, the transmission control module (TCM) sometimes sends a torque limiting request to the engine control module (ECM), which retards ignition momentarily to reduce torque and provide smoother shifting and protect the transmission.

Ignition can be retarded to three levels depending on the signals from the transmission control module (TCM). A return signal from the engine control module (ECM) to the automatic transmission control module (TCM) confirms that the signal reached the engine control module (ECM).

Together with the ignition discharge module (IDM), the engine control module (ECM) incorporates a function for controlling ignition coil current, ensuring that the coil always has an optimum charge, regardless of engine speed.