FREE REPAIR MANUALS & LABOR GUIDES 1982-2013 Vehicles
Courtesy of Operation CHARM: Car repair manuals for everyone.

Transmission Control Systems

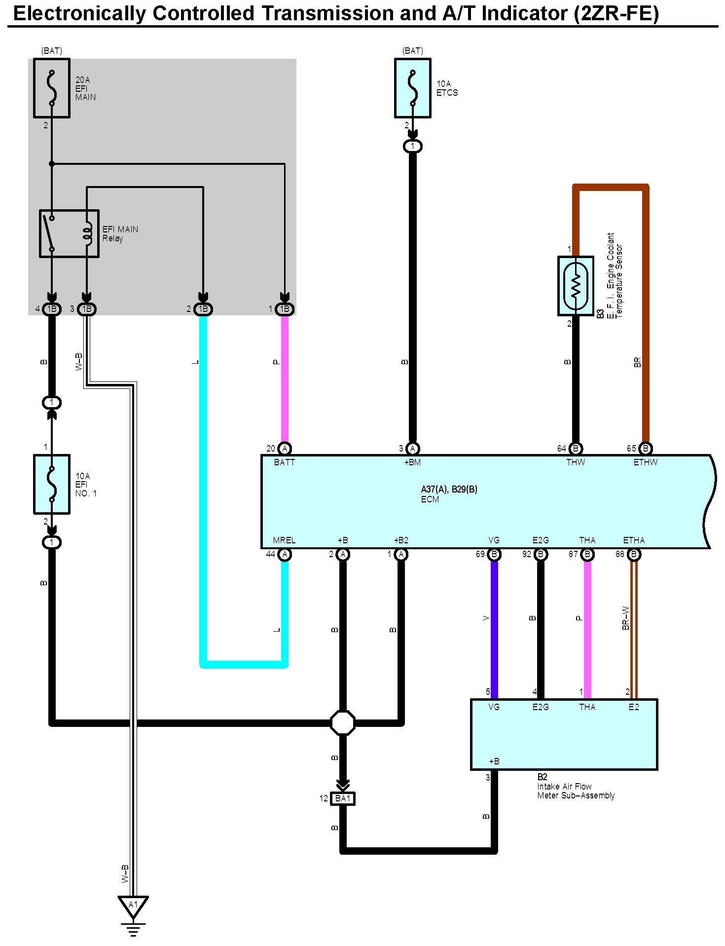
Electronically Controlled Transmission and A/T Indicator Part 1:




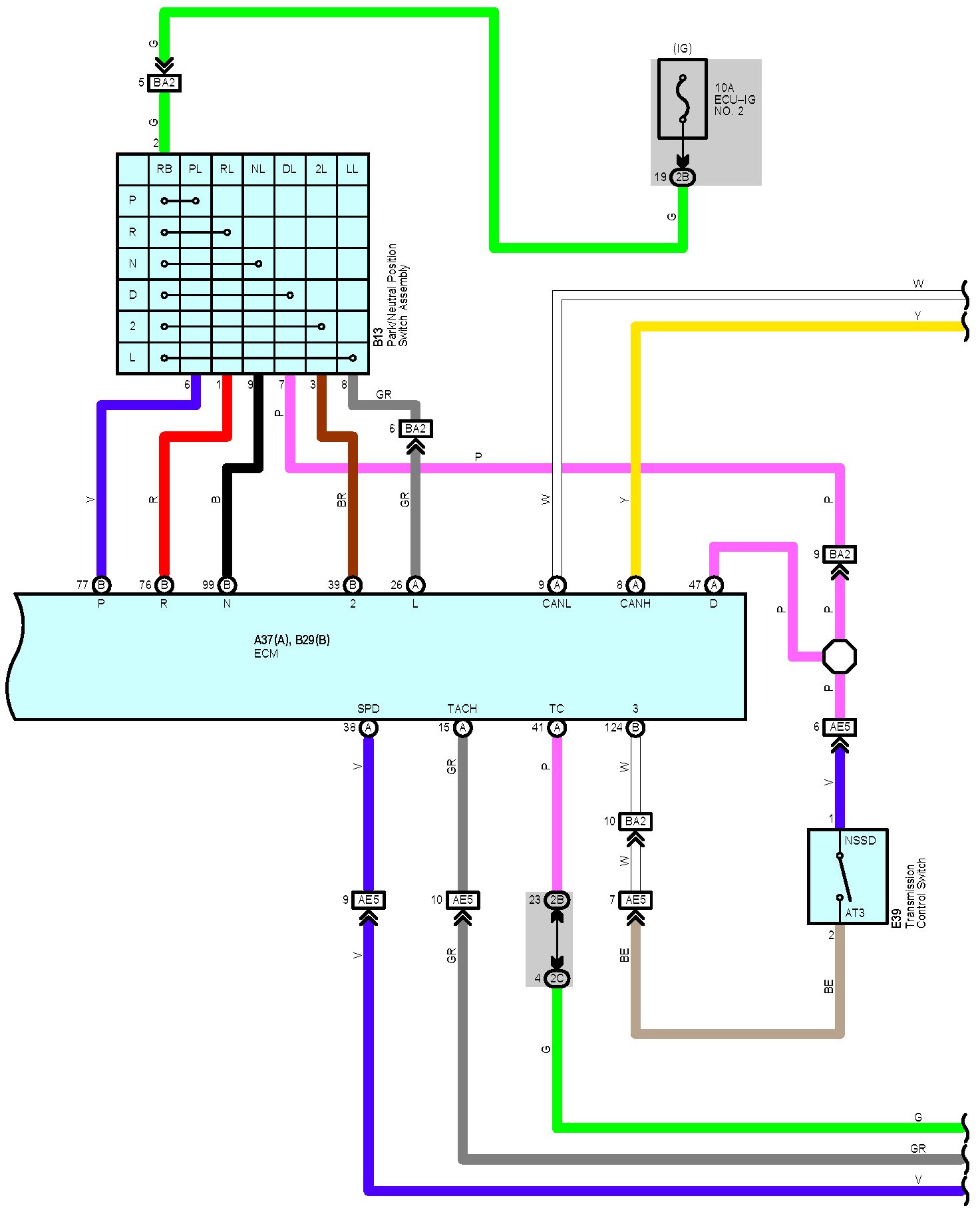
Electronically Controlled Transmission and A/T Indicator Part 2:




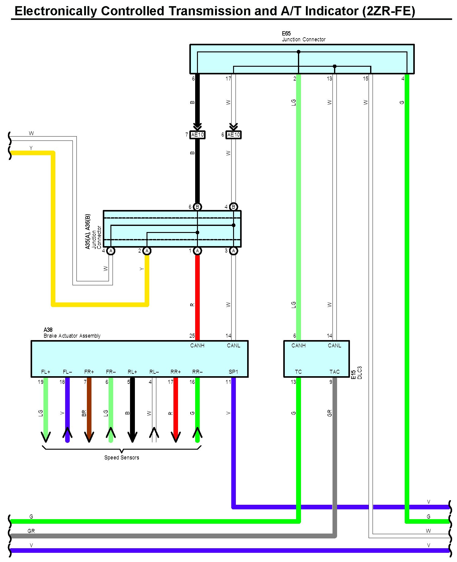
Electronically Controlled Transmission and A/T Indicator Part 3:




Electronically Controlled Transmission and A/T Indicator Part 4:




Electronically Controlled Transmission and A/T Indicator Part 5:




Electronically Controlled Transmission and A/T Indicator Part 6:









Locations: The locations of components, connectors, ground points, and splices referred to within these diagrams can be found at Vehicle Locations. Locations

Connector Views: Diagrams of the connectors referred to within these diagrams can be found at Connector Views by Connector Number. Connector Views By Connector Number