FREE REPAIR MANUALS & LABOR GUIDES 1982-2013 Vehicles
Courtesy of Operation CHARM: Car repair manuals for everyone.

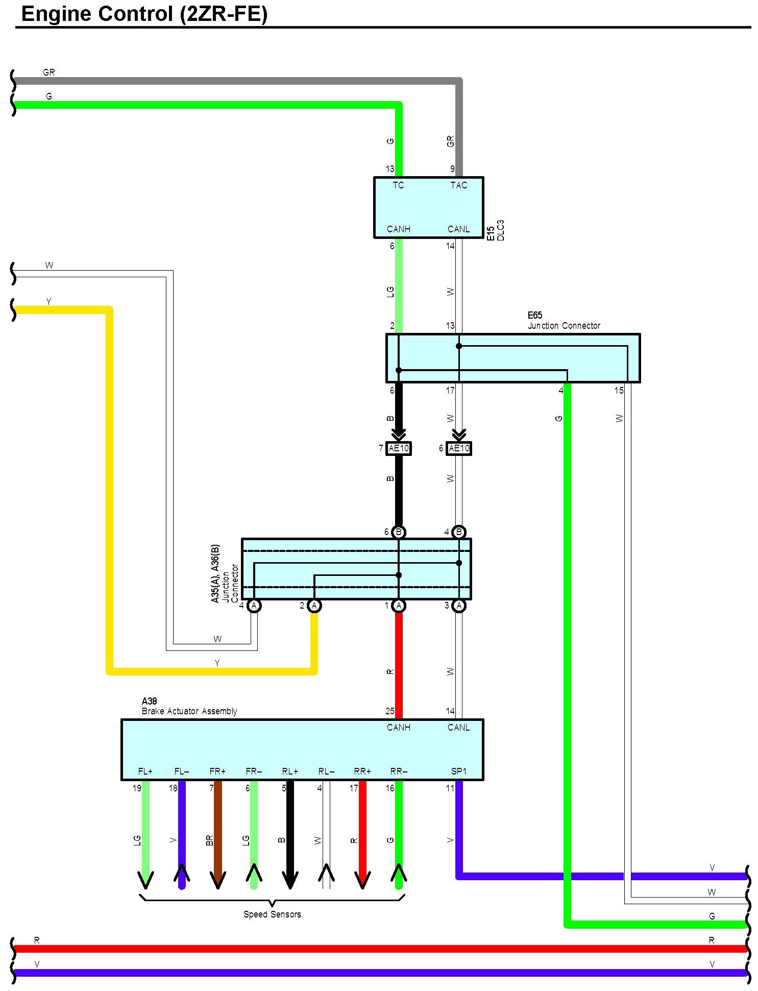
Engine Control Part 9

Engine Control Part 9:









Next Diagram Engine Control Part 10

Previous Diagram [1][2]Electrical Diagrams

Locations: The locations of components, connectors, ground points, and splices referred to within these diagrams can be found at Vehicle Locations. Locations

Connector Views: Diagrams of the connectors referred to within these diagrams can be found at Connector Views by Connector Number. Connector Views By Connector Number