FREE REPAIR MANUALS & LABOR GUIDES 1982-2013 Vehicles
Courtesy of Operation CHARM
:
Car repair manuals for everyone.
Home
>>
Toyota
>>
2011
>>
Matrix AWD L4-2.4L (2AZ-FE)
>>
Parts and Labor
>>
Engine, Cooling and Exhaust
>>
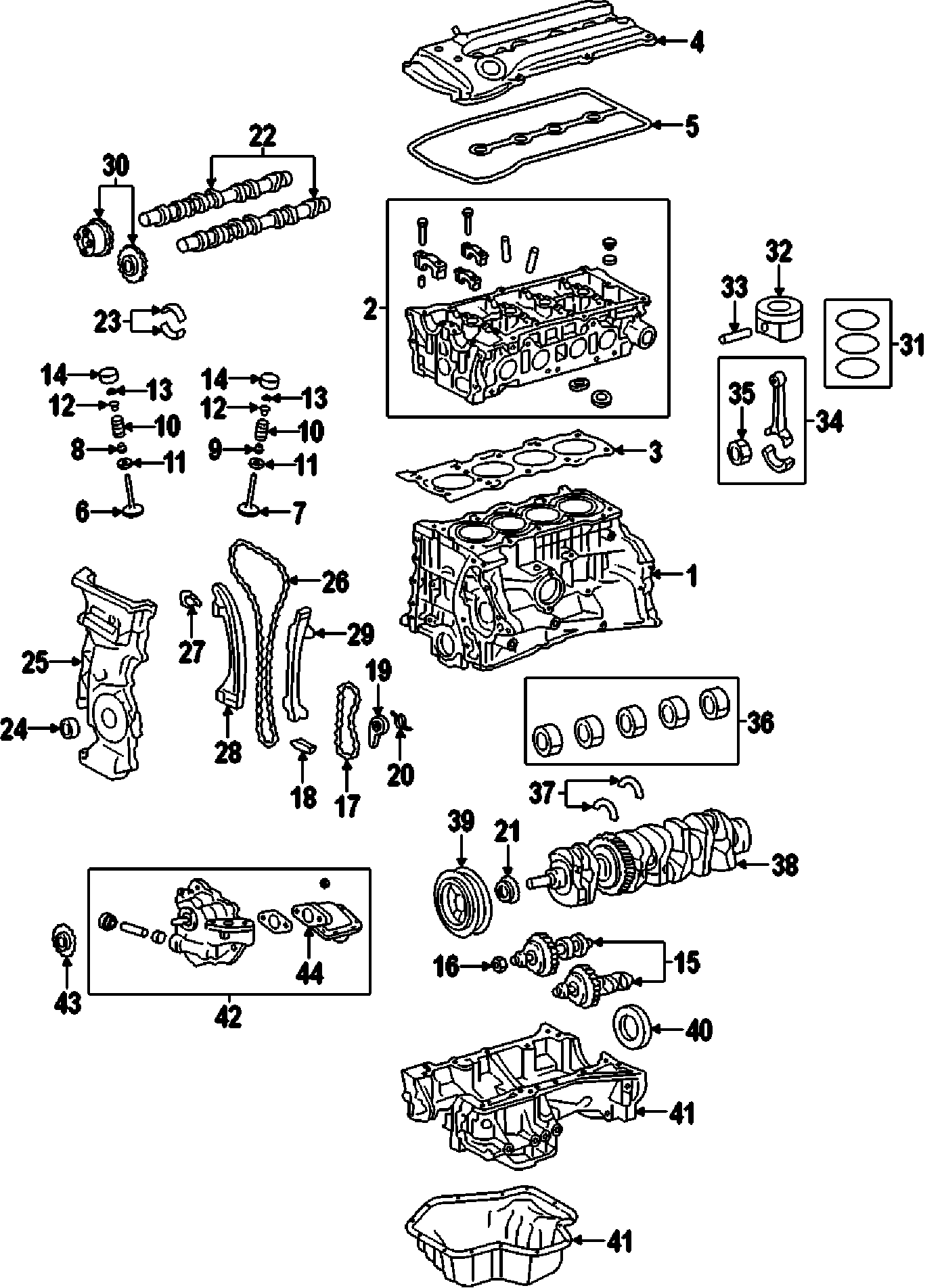
Engine
>>
Images
Images
Engine: