FREE REPAIR MANUALS & LABOR GUIDES 1982-2013 Vehicles
Courtesy of Operation CHARM
:
Car repair manuals for everyone.
Home
>>
Toyota
>>
2010
>>
Matrix FWD L4-1.8L (2ZR-FE)
>>
Repair and Diagnosis
>>
Powertrain Management
>>
Emission Control Systems
>>
Description and Operation
Emission Control Systems: Description and Operation
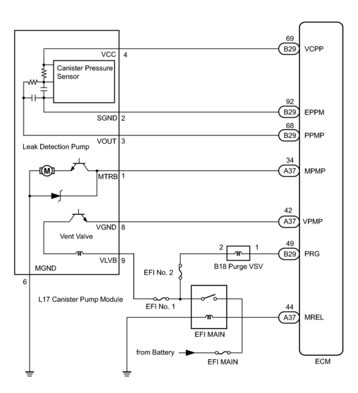
2ZR-FE EMISSION CONTROL: EMISSION CONTROL SYSTEM: SYSTEM DIAGRAM