FREE REPAIR MANUALS & LABOR GUIDES 1982-2013 Vehicles
Courtesy of Operation CHARM: Car repair manuals for everyone.

Cruise Control Switch Circuit








CRUISE CONTROL: CRUISE CONTROL SYSTEM: Cruise Control Switch Circuit

Cruise Control Switch Circuit

DESCRIPTION

The cruise control main switch operates 7 functions: SET, - (COAST), TAP-DOWN, RES (RESUME), + (ACCEL), TAP-UP, and CANCEL. The SET, TAP-DOWN, and - (COAST) functions, and the RES (RESUME), TAP-UP, and + (ACCEL) functions are operated with the same switch. The cruise control main switch is an automatic return type switch which turns on only while operating it in each direction and turns off after releasing it. The internal contact point of the cruise control main switch is turned on with the switch operation. Then the ECM reads the voltage value that has been changed by the switch operation to control SET, - (COAST), RES (RESUME), + (ACCEL), and CANCEL.

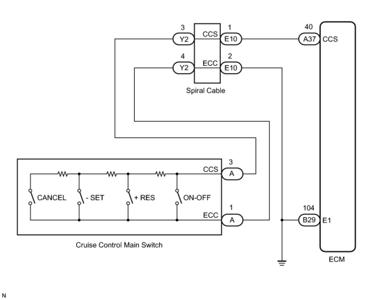
WIRING DIAGRAM





INSPECTION PROCEDURE

PROCEDURE

1. READ VALUE USING TECHSTREAM




(a) Connect the Techstream to the DLC3.
(b) Turn the ignition switch to ON.
(c) Turn the Techstream on.
(d) Enter the following menus: Powertrain / Cruise Control / Data List.
(e) Check the Data List for proper functioning of the cruise control main switch.

Cruise Control (ECM)





OK:
When the cruise control main switch is operated, the display changes as shown above.
Result:






C -- REPLACE CRUISE CONTROL MAIN SWITCH
B -- INSPECT CRUISE CONTROL MAIN SWITCH
A -- PROCEED TO NEXT CIRCUIT INSPECTION SHOWN IN PROBLEM SYMPTOMS TABLE
2. INSPECT CRUISE CONTROL MAIN SWITCH
(a) Remove the cruise control main switch Components.
(b) Measure the resistance according to the value(s) in the table below.





Standard Resistance:






NG -- REPLACE CRUISE CONTROL MAIN SWITCH
OK -- Continue to next step.

3. CHECK HARNESS AND CONNECTOR (CRUISE CONTROL MAIN SWITCH - SPIRAL CABLE)
(a) Disconnect the Y2 connector from the spiral cable.




(b) Measure the resistance according to the value(s) in the table below.
Standard Resistance:






NG -- REPAIR OR REPLACE HARNESS OR CONNECTOR
OK -- Continue to next step.

4. CHECK SPIRAL CABLE
NOTE: The spiral cable is an important part of the SRS airbag system. Incorrect removal or installation of the spiral cable may cause airbag deployment.
HINT:
- Removal Removal
- Installation Installation
(a) Remove the spiral cable Components.




(b) Measure the resistance according to the value(s) in the table below.
Standard Resistance:





HINT: The spiral cable makes a maximum of approximately 5 rotations.

NG -- REPLACE SPIRAL CABLE
OK -- Continue to next step.

5. CHECK HARNESS AND CONNECTOR (SPIRAL CABLE - ECM, BODY GROUND)




(a) Measure the resistance according to the value(s) in the table below.
Standard Resistance:






Result:






C -- REPLACE ECM (for 2AZ-FE)
B -- REPLACE ECM (for 2ZR-FE)
A -- REPAIR OR REPLACE HARNESS OR CONNECTOR