FREE REPAIR MANUALS & LABOR GUIDES 1982-2013 Vehicles
Courtesy of Operation CHARM: Car repair manuals for everyone.

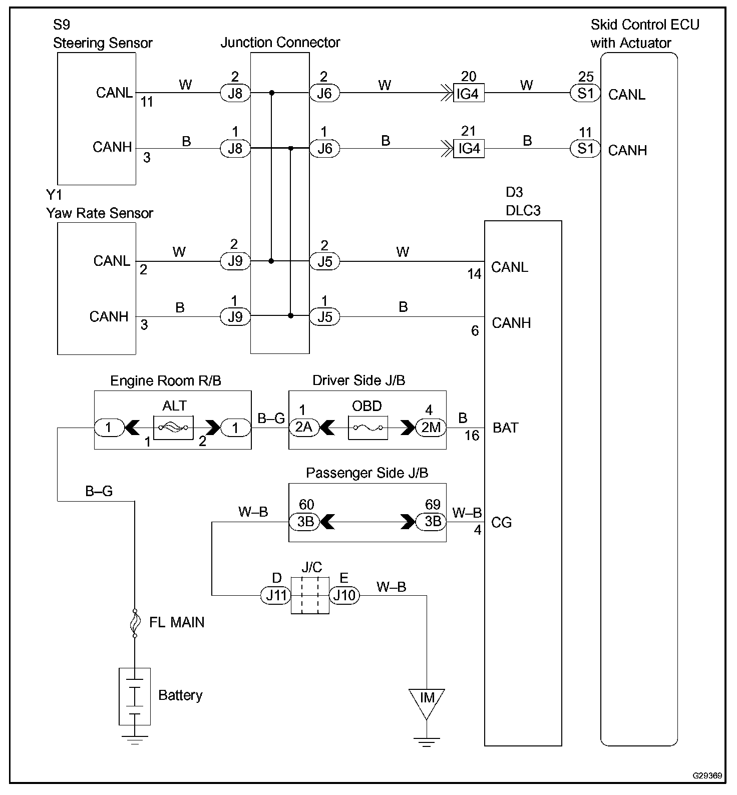
Check CAN Bus Line

CHECK CAN BUS LINE

CIRCUIT DESCRIPTION

When any DTC for the CAN communication is output, first measure the resistance between the terminals of the DLC3 to specify the trouble area.

Wiring Diagram:






Step 1 - 2:




Step 3 - 5:




INSPECTION PROCEDURE