FREE REPAIR MANUALS & LABOR GUIDES 1982-2013 Vehicles
Courtesy of Operation CHARM
:
Car repair manuals for everyone.
Home
>>
Toyota
>>
2004
>>
Solara V6-3.3L (3MZ-FE)
>>
Parts and Labor
>>
Starting and Charging
>>
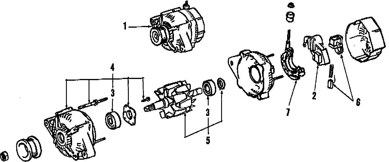
Charging System
>>
Images
Images
Charging System: