FREE REPAIR MANUALS & LABOR GUIDES 1982-2013 Vehicles
Courtesy of Operation CHARM: Car repair manuals for everyone.

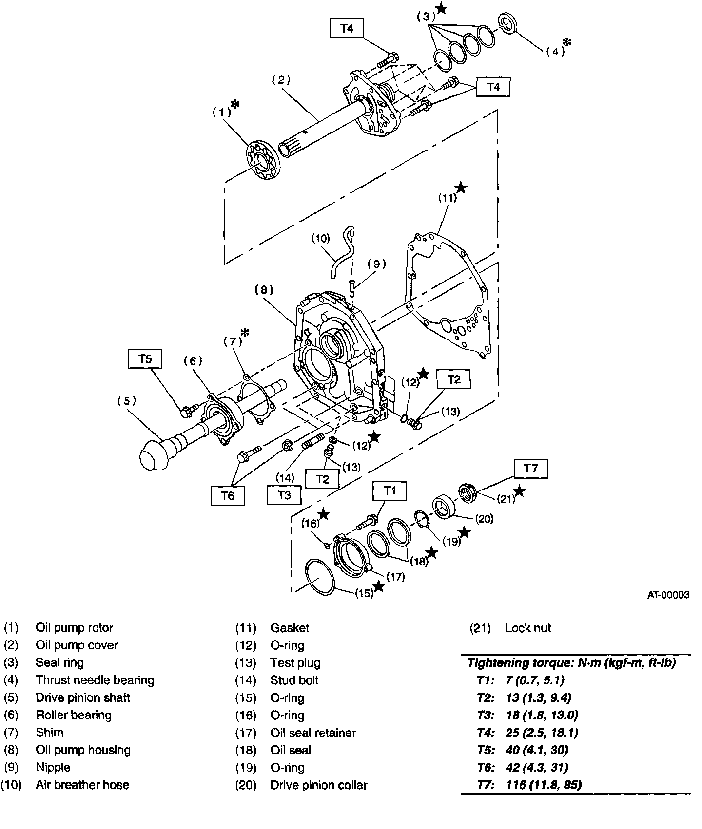
System Diagram

COMPONENT





TORQUE CONVERTER CLUTCH AND CASE





OIL PUMP








TRANSMISSION CASE AND CONTROL DEVICE





CONTROL VALVE AND HARNESS ROUTING





HIGH CLUTCH AND REVERSE CLUTCH





PLANETARY GEAR AND 2-4 BRAKE





LOW CLUTCH AND LOW & REVERSE BRAKE





REDUCTION GEAR (MPT)





REDUCTION GEAR (VTD)





DIFFERENTIAL GEAR





TRANSFER AND EXTENSION CASE (OPT)





TRANSFER AND EXTENSION CASE (VTD)