FREE REPAIR MANUALS & LABOR GUIDES 1982-2013 Vehicles
Courtesy of Operation CHARM
:
Car repair manuals for everyone.
Home
>>
Subaru
>>
2004
>>
Forester F4-2.5L SOHC
>>
Repair and Diagnosis
>>
Heating and Air Conditioning
>>
Blower Motor
>>
Testing and Inspection
Blower Motor: Testing and Inspection
BLOWER MOTOR
IS NOT ROTATED
TROUBLE SYMPTOM:
-
Blower motor
is not rotated.
-
Blower motor
is not shifted.
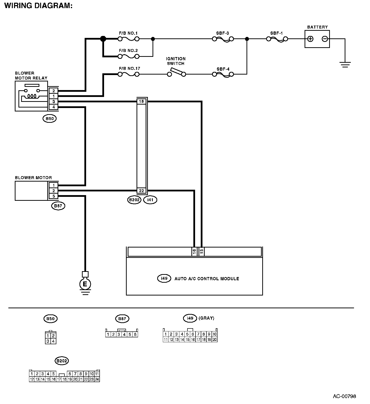
Wiring Diagram:
WIRING DIAGRAM:
Step 1 - 5: