FREE REPAIR MANUALS & LABOR GUIDES 1982-2013 Vehicles
Courtesy of Operation CHARM: Car repair manuals for everyone.

Wiper Relay: Testing and Inspection

Wiper Control Relay

INSPECTION

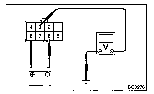
1. Disconnect the connector from the wiper control relay.




2. Connect the positive (+) lead from the battery to terminal 8 and the negative (-) lead to terminal 6. Connect the positive (+) lead from the voltmeter to terminal 3 and the negative (-) lead to ground.




3. Measure the voltage when the wiper relay is operated.
If operation is not as specified, replace the switch.