FREE REPAIR MANUALS & LABOR GUIDES 1982-2013 Vehicles
Courtesy of Operation CHARM: Car repair manuals for everyone.

Compartment Temperature Does Not Change

COMPARTMENT TEMPERATURE IS NOT CHANGED OR A/C SYSTEM DOES NOT RESPOND QUICKLY

TROUBLE SYMPTOM:

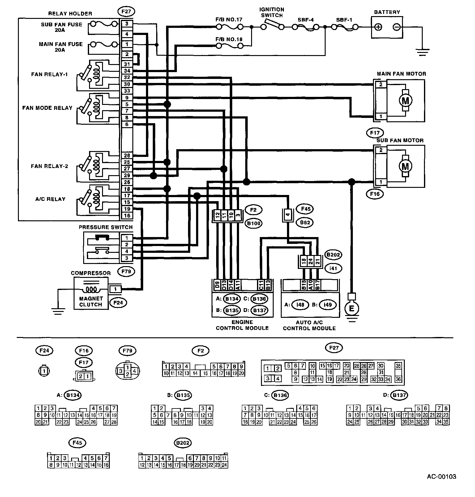
Wiring Diagram:




WIRING DIAGRAM:

Step 1 - 7:




Step 8 - 13:




Step 14 - 19:




- Compartment temperature is not changed.
- A/C system does not respond quickly.