FREE REPAIR MANUALS & LABOR GUIDES 1982-2013 Vehicles
Courtesy of Operation CHARM
:
Car repair manuals for everyone.
Home
>>
Subaru
>>
2003
>>
Forester F4-2.5L SOHC
>>
Repair and Diagnosis
>>
Diagrams
>>
Electrical Diagrams
>>
Air Bag Systems
>>
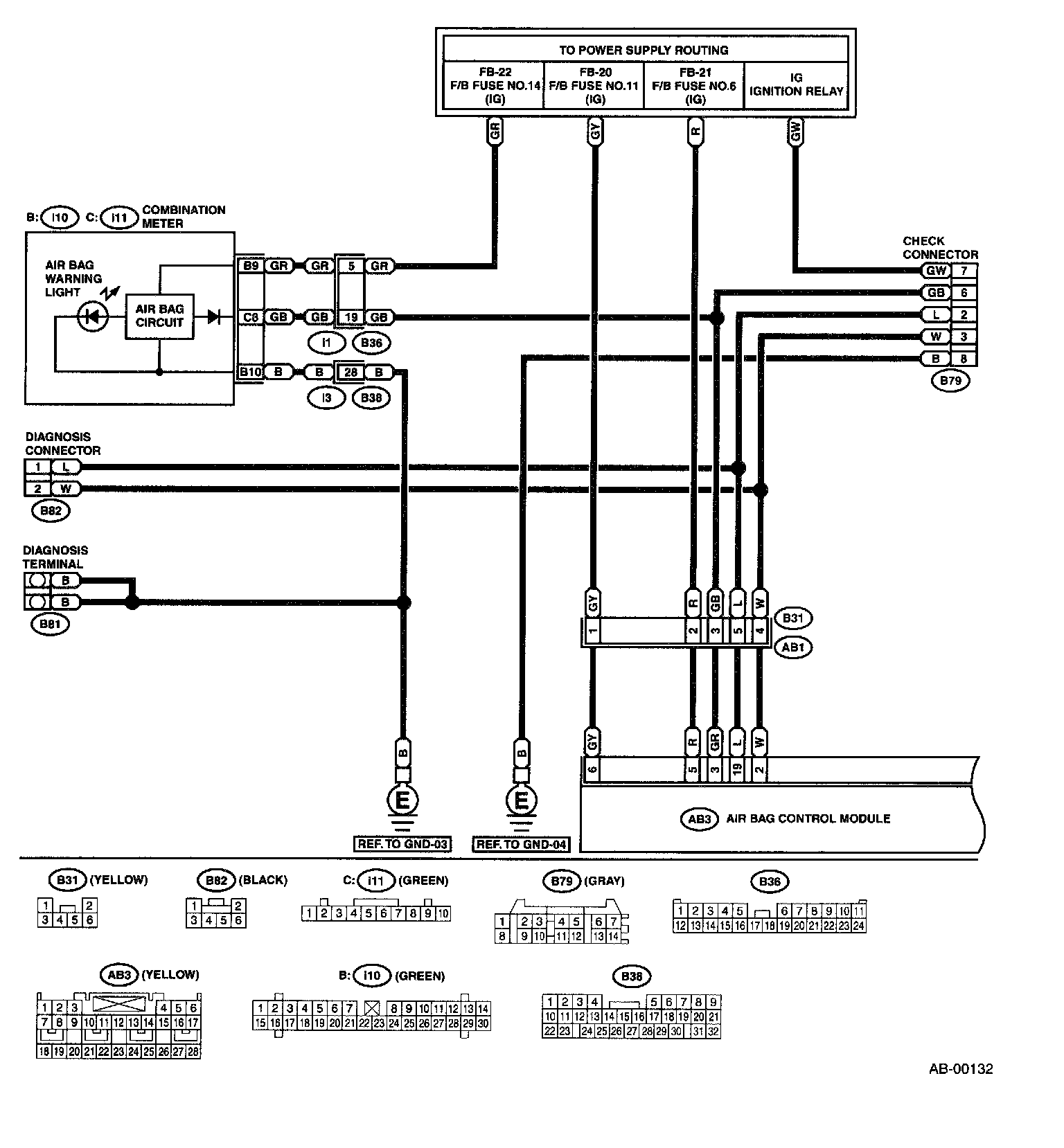
Air Bag Control Module
Air Bag Control Module
Schematic Part 1:
Schematic Part 2:
Schematic Part 3: