FREE REPAIR MANUALS & LABOR GUIDES 1982-2013 Vehicles
Courtesy of Operation CHARM
:
Car repair manuals for everyone.
Home
>>
Subaru
>>
1994
>>
Legacy Sedan 2WD F4-2.2L SOHC
>>
Repair and Diagnosis
>>
Heating and Air Conditioning
>>
Locations
>>
Component Locations
>>
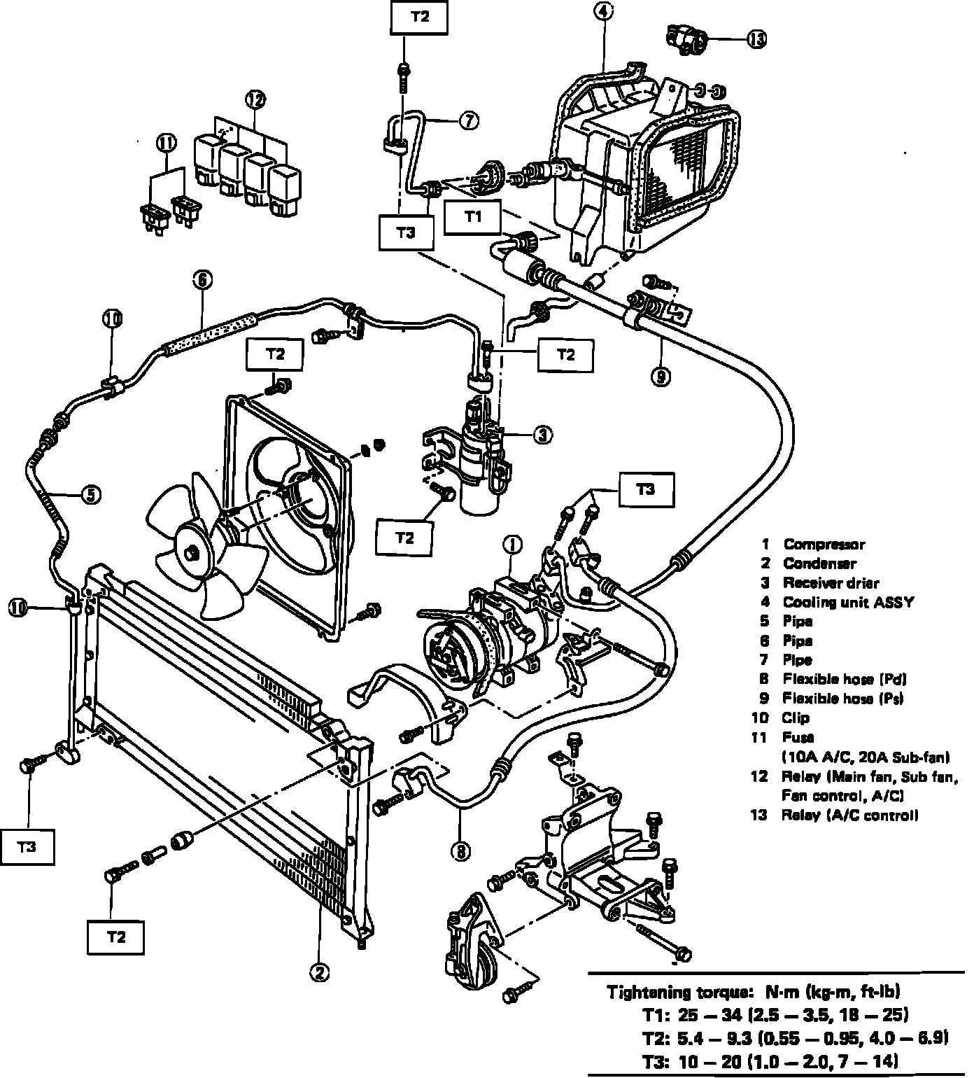
System Components
>>
Zexel
Zexel
System Components (Zexel):