FREE REPAIR MANUALS & LABOR GUIDES 1982-2013 Vehicles
Courtesy of Operation CHARM: Car repair manuals for everyone.

Cross-Member: Service and Repair

REAR SUSPENSION SUPPORT

^ TOOLS REQUIRED
- KM-906B Bushing Remover/Installer

REMOVAL

CAUTION: MAKE SURE VEHICLE IS PROPERLY SUPPORTED AND SQUARELY POSITIONED ON THE HOIST. TO HELP AVOID PERSONAL INJURY WHEN A VEHICLE IS ON A HOIST, PROVIDE ADDITIONAL SUPPORT FOR THE VEHICLE ON THE OPPOSITE END FROM WHICH COMPONENTS ARE BEING REMOVED.





1. Raise vehicle on hoist.
2. Remove rear wheel and tire assemblies.
3. Remove rear exhaust system from resonator back.





4. Remove heat shield form rear suspension support.





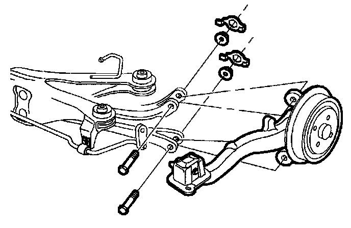
5. Remove upper and lower control arm to rear axle control arm attachment bolts, discard bolts and nuts.





6. Remove both stabilizer bar links from rear axle control arms.





CAUTION: FAILURE TO SUPPORT THE REAR SUSPENSION SUPPORT ASSEMBLY CAN CAUSE SUSPENSION SUPPORT TO DROP TO THE GROUND WHEN MOUNTING BOLTS ARE REMOVED.

CAUTION: SUPPORT THE FRONT OF THE VEHICLE TO ENSURE THAT THE VEHICLE WILL NOT BECOME UNBALANCED AND TIP FORWARD, OFF THE HOIST, ONCE THE REAR SUSPENSION SUPPORT IS REMOVED (DUE TO DECREASED PROPORTION OF REAR VEHICLE MASS). FAILURE TO SUPPORT FRONT OF VEHICLE COULD CAUSE VEHICLE TO FALL OFF THE HOIST.

7. Support rear suspension support with a suitable support stand.
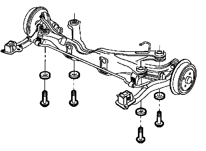
8. Remove the four rear suspension support to body bolts and discard bolts.
9. Remove rear suspension support from vehicle.

DISASSEMBLY





1. Using Bushing Remover/Installer KM-906B (KM-906-70, KM-906-11, and KM-906-12A) press out the rear suspension support bushings.

ASSEMBLY





1. Using bushing remover/installer KM-906-70, KM-906-13A, and KM-906-14 press in new damping bushings.

INSTALLATION





1. Raise rear suspension support assembly into vehicle and install using new bolts.
^ Rear Suspension Support-to-Body Bolts: 90 Nm (66 ft. lbs.) + 90° to 105°





2. Install upper and lower rear suspension control arms to rear axle control arms using new nuts and bolts.
^ Rear Suspension Control Arm-to-Knuckle: 90 Nm (66 ft. lbs.) + 60° to 75°





3. Install stabilizer links to rear axle control arm.
^ Rear Stabilizer Bar-to-Knuckle: 55 Nm (41 ft. lbs.)





4. Install heat shield to rear suspension support.
^ Heat Shield-to-Rear Suspension Support: 8 Nm (71 inch lbs.)





5. Install rear exhaust system with resonator attached.
^ Exhaust Manifold Pipe-to-Exhaust Pipe Bolts: 20 Nm (15 ft. lbs.)

NOTICE: Before installing wheels, remove rust or corrosion from wheel mounting surfaces and brake rotors. Failure to do so can cause wheel bolts to loosen in service.

6. Position wheel onto hub.
7. Install wheel bolts and tighten in a star pattern.
7.1. Hand tighten all five wheel bolts.
7.2. Use a torque wrench to tighten wheel bolts using a star pattern.
^ Wheel Bolts (Initial Torque): 63 Nm (46 ft. lbs.)
7.3. Use a torque wrench to final tighten wheel bolts using a star pattern.
^ Wheel Bolts (Final Torque): 125 Nm (92 ft. lbs.)
8. Lower vehicle from hoist.