FREE REPAIR MANUALS & LABOR GUIDES 1982-2013 Vehicles
Courtesy of Operation CHARM
:
Car repair manuals for everyone.
Home
>>
Pontiac
>>
2000
>>
Sunfire L4-2.2L VIN 4
>>
Repair and Diagnosis
>>
Diagrams
>>
Electrical Diagrams
>>
Windows
>>
System Diagram
System Diagram
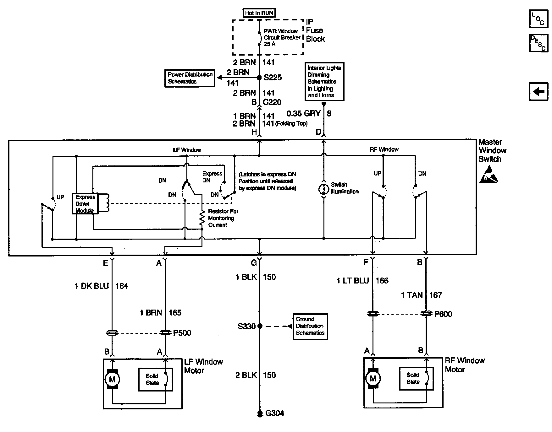
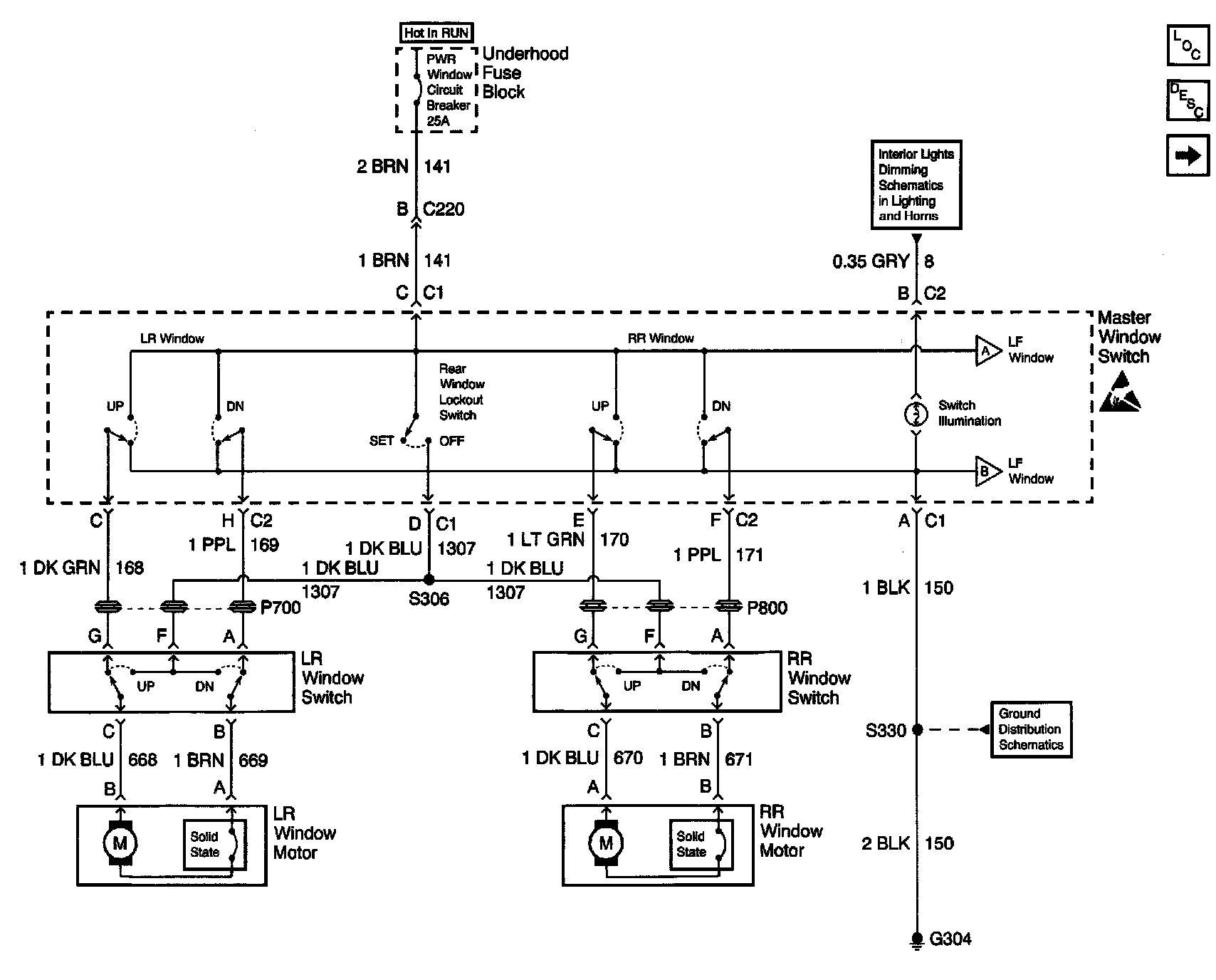
Power Windows (Sedan)
Power Windows, Front (Sedan)
Power Windows Master Window Switch (Coupe)