FREE REPAIR MANUALS & LABOR GUIDES 1982-2013 Vehicles
Courtesy of Operation CHARM: Car repair manuals for everyone.

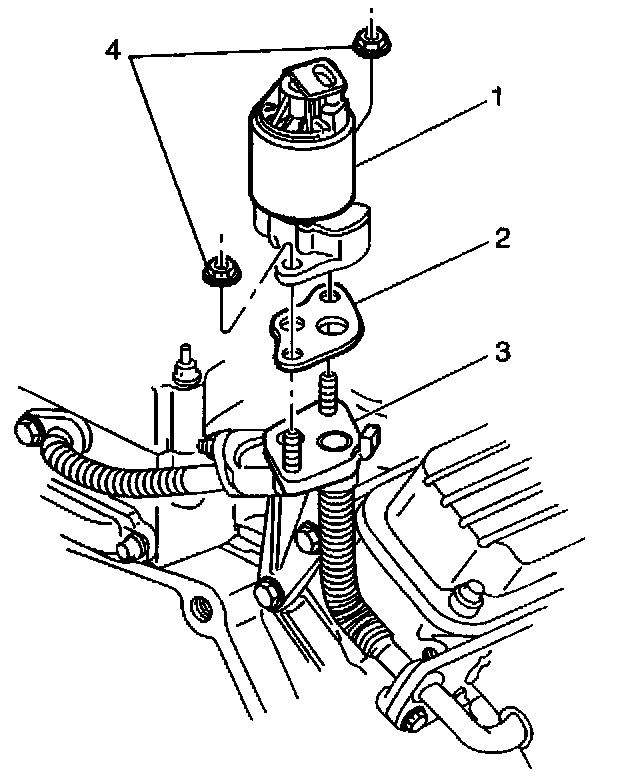
EGR Valve: Service and Repair




REMOVAL PROCEDURE
1. Disconnect the negative battery cable.
2. Disconnect the electrical connector from the EGR valve.
3. Remove the EGR valve retaining nuts (4).
4. Remove the EGR valve (1).
5. Remove the gasket (2) from the EGR valve adapter (3).

INSTALLATION PROCEDURE
1. Install a new gasket (2) on the EGR adapter (3).

Tighten
Refer to Fastener Notice in Service Precautions.

2. Install the EGR valve (1) and the retaining nuts (4).

Tighten
Tighten the nuts to 30 N.m (22 lb ft).

3. Connect the EGR valve electrical connector.
4. Reconnect the negative battery cable.