FREE REPAIR MANUALS & LABOR GUIDES 1982-2013 Vehicles
Courtesy of Operation CHARM: Car repair manuals for everyone.

Installation Procedure

INSTALLATION PROCEDURE






1. Install the forward lamp wiring harness to the vehicle.
2. Route the forward lamp harness through the front of dash in the interior of the vehicle.
3. Install the harness rosebud clip to the left wheelhouse panel.

NOTE: Refer to Fastener Notice in Service Precautions.

4. Install the forward lamp wiring harness grommet bolt (2).

Tighten
Tighten the forward lamp wiring harness grommet bolt (2) to 2 N.m (18 lb in).

5. Install the windshield washer fluid hose to the plenum extension.
6. Install the wiper motor branch to the plenum extension.
7. Connect the wiper motor electrical connector.
8. Install the air inlet grille panel.






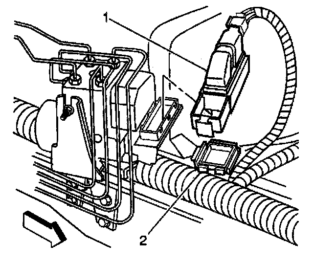
9. Perform the following to install the underhood electrical center to the wheelhouse bracket:
9.1. Tilt the forward lamp harness bracket outboard.
9.2. Insert the tab on the bracket into the hole in the wheelhouse bracket.
9.3. Roll bracket back inboard.
9.4. Secure bracket by sliding down into tabs on tie bar.
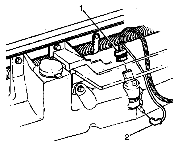
10. Install the wheel speed sensor connector (2) to the mid rail.






11. Connect the brake fluid level sensor connector (1) to the master cylinder.






12. Connect the 30 way connector (1) to the brake pressure module valve.






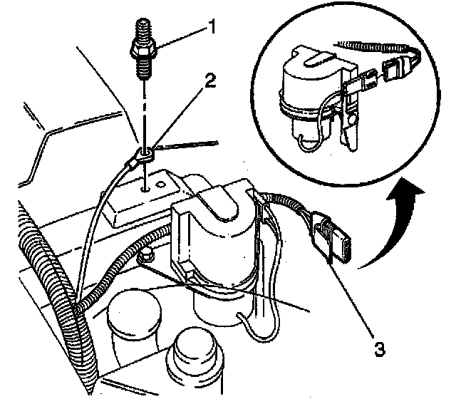
13. Install the ABS/SIR electrical ground terminal (2) to the wheelhouse.
14. Install the ABS/SIR electrical ground stud (1) to the wheelhouse panel.

Tighten
Tighten the ABS/SIR electrical ground stud (1) to 14 N.m (10 lb ft).






15. Install the harness ground wire (2) to the tie bar.
16. Install the left front forward lamp wiring ground bolt (1).

Tighten
Tighten the left front forward lamp wiring ground bolt (1) to 10 N.m (89 lb in).






17. Install the positive battery to the stud on the fuseblock:
17.1. Install the positive cable to the fuseblock stud.
17.2. Install the positive cable to fuseblock stud nut.

Tighten
Tighten the positive cable nut to fuseblock stud to 14 N.m (10 lb ft).

17.3. Install the positive battery cable cover.






18. Connect the harness rosebud (2) clip to the coolant fill neck.
19. Install the speed sensor connector (1) to the mid rail.






20. Connect the forward lamp harness vacuum tube to the top of the vacuum check valve.
21. Connect the forward lamp harness to the engine harness.
22. Connect the secondary captured locks.






23. Connect the electronic throttle actuator electrical connector (3), if equipped with a 5.7 L engine.
24. Install the forward lamp harness ground (2).
25. Install the forward lamp harness ground stud (1).

Tighten
Tighten the forward lamp harness ground stud (1) to 16 N.m (12 lb ft).






26. Route the forward lamp harness headlamp branch through the hole in the front panel.
27. Tuck the harness into the opening forward of the battery tray (1).
28. Install the forward lamp wiring ground (3) to the tie bar.
29. Install the right front ground bolt (2).

Tighten
Tighten the right front ground bolt (2) to 10 N.m (89 lb in).

30. Install the battery.






31. Connect the rosebud clips.
32. Connect the cooling fan electrical connectors.






33. Connect the forward lamp wiring harness rosebud clips (1) to the tie bar.






34. Connect the windshield washer fluid hose (2) to the pump.
35. Connect the washer pump electrical connector (1).






36. Connect the ETC connector (2) to the throttle body, if equipped with 3.8 L engine.
37. Install the captured secondary lock (1) to the connector.
38. Raise and suitably support the vehicle.






39. Route the following through the front end panel hole:
^ Side marker connector (4), Pontiac only
^ Park/turn signal connector (3)
^ Fog lamp connector (2)
40. Connect the rosebud clip (5) to the front end panel.
41. Connect the inline headlamp connector (1) to the forward lamp harness.






42. Connect the headlamp jumper harness (2) to the forward lamp harness (1).
43. Install the secondary lock retainer (3).






44. On Pontiac, install the clip (3) to the front bumper beam.
45. Connect the fog lamp connector (2) to the lamp.






46. On Chevrolet, install the rosebud clip to the front bumper beam.
47. Connect the fog lamp connector to the lamp.






48. Install the harness clips (1) to the fender rail. (Export only)






49. Install the side repeater lamp. (Export only)






50. Install the park/turn signal (3) and marker (1) connector to the lamp (2).
51. On Pontiac, connect the side marker lamp connector.






52. Connect the vacuum tank hose to the vacuum tank.






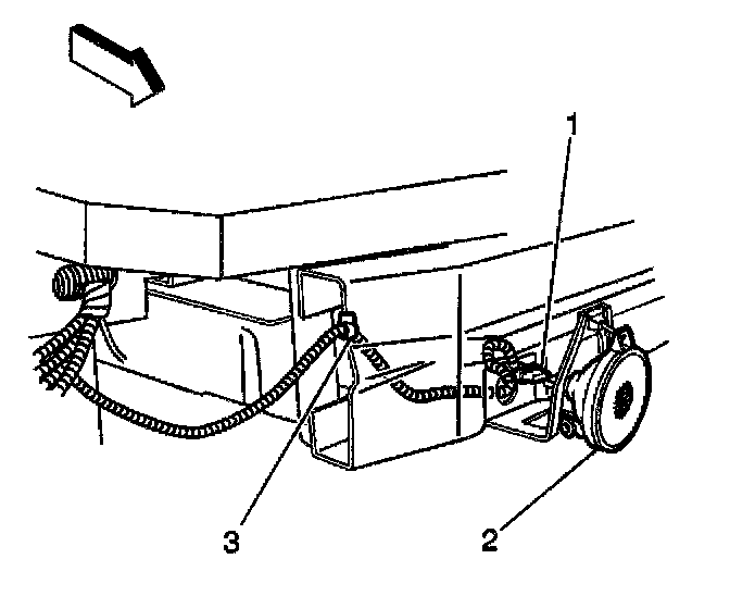
53. Connect the AIR pump connector, if equipped with a 5.7 L engine.
54. Lower the vehicle.






55. Connect the rosebud clips (2) to the dash mat.
56. Connect the ETC electrical connector (1), if equipped with a 3.8 L engine.






57. Connect the following connector to the steering column (1):
^ Dimmer switch (4)
^ Wiper/washer (3)
Install a tie strap around the connector between the black and pink wires.
^ Ignition switch (2)






58. Connect the accel/cruise servo cable adjuster electrical connectors (1).






59. Connect the negative battery cable.